Zum Inhalt springen

Bodoni

Mitglieder
  • Gesamte Inhalte

    33
  • Benutzer seit

  • Letzter Besuch

Alle erstellten Inhalte von Bodoni

  1. Bodoni

    Bilder einfügen

    Guten Tag, hier mal einige Bilder von meinem Kino. Mein Kino ist ein Garagen-Kino, nur 4,50m lang. Der Verstärker ist Marke Eigenbau in einem Gestell von einem Röhrenverstärker (WSW). Gruß Bodoni
  2. Also mit den Bildern hat´s funktioniert. Die Gestaltung läßt noch zu wünschen übrig. Danke an alle die mir mit Tips geholfen haben. Gruß Bodoni
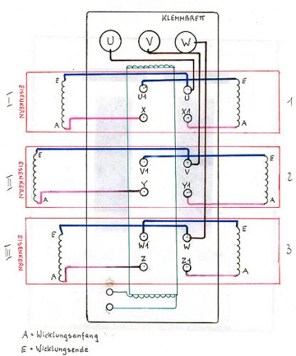
  3. Guten Tag, also ich habe einen Trafo rumstehen von dem ich nicht genau weiß, ist es ein Trafo oder ein sogenannter Transduktor. Der Trafo hat drei Schenkel ist für Drehstrom ausgelegt. Auf den drei Schenkel befinden sich je zwei Spulen mit einem dicken Draht und quer über diesen drei Schenkel ist eine andere Wicklung mit etwas dünneren Draht. Ich nehme an daß diese der Steuerung dienen. So jetzt die Bilder und eine Strichzeichnung.
  4. Bodoni

    Bilder einfügen

    Guten Tag, habe schon einige Tips ausprobiert, ohne Erfolg. Bitte was ist eine Bild URL und wo finde ich diese ? Habe die Bilder am PC, kann sie aber nicht einstellen. die "junge Generation" tut sich da etwas leichter. Gruß Bodoni
  5. Bodoni

    Bilder einfügen

    Danke für den Tip Bodoni
  6. Bodoni

    Bilder einfügen

    Guten Tag, ich wollte Bilder, wie versprochen, im Text einfügen ist mir aber nicht gelungen. Wer kann mir erklären wie das geht. Danke Bodoni
  7. Filmtechniker und Lichtspieler Das mit der schwarzen Kunst trifft zu. War 43 Jahre im Beruf. Freut mich, daß einige hier der "schwarzen Kunst" angehören(ten). zu Thomas007 Mein Tonlaufwerk ist das Bauer Anbau-Lichttongerät TN10R1, meine Leinwand 2x1,5m ca. Mono, kein Rotlicht. Den Verstärker habe ich in Halbleitertechnik aufgebaut, da beim Röhrenverstärker, war ein WSW mit 2xEL34, immer wieder Reparaturen angefallen sind. Werde demnächst einige Fotos machen und einstellen. Mit einem "Gott grüß´die Kunst" Hier im Forum aber "mit gut Licht" Bodoni
  8. Ich grüße alle hier im Forum. Da ich mich erst angemeldet habe, aber schon lange mitlese, möchte ich mich kurz vorstellen. Ich habe eine B5A Maschine in meinem Heimkino, umgebaut auf Halogen 36 Volt 400 Watt, externe Spulen für 2500 Meter. Beruflich hatte ich mit Filme zu tun, aber mit Planfilme. Interessiert bin ich an der Kinotechnik und Elektronik. Durchs mitlesen habe ich schon einiges an Technik erfahren, welches ich in meinem Heimkino anwenden konnte. Nun soll es für´s erste mal genug sein. Gruß Bodoni
  9. Guten Tag an Alle hier im Forum.

    Lese schon einige Zeit im Forum mit und habe

    dadurch schon einiges von der Kino Technik

    erfahren, die ich in meinem Heimkino anwenden kann. Meine Maschine ist eine B5A umgebaut auf Halogen und selbstgebauter Ab- und Aufwicklung.

    Gruß aus dem Waldviertel

×
×
  • Neu erstellen...

Filmvorführer.de mit Werbung, externen Inhalten und Cookies nutzen

  I accept

Filmvorfuehrer.de, die Forenmitglieder und Partner nutzen eingebettete Skripte und Cookies, um die Seite optimal zu gestalten und fortlaufend zu verbessern, sowie zur Ausspielung von externen Inhalten (z.B. youtube, Vimeo, Twitter,..) und Anzeigen.

Die Verarbeitungszwecke im Einzelnen sind:

  • Informationen auf einem Gerät speichern und/oder abrufen
  • Datenübermittlung an Partner, auch n Länder ausserhalb der EU (Drittstaatentransfer)
  • Personalisierte Anzeigen und Inhalte, Anzeigen- und Inhaltsmessungen, Erkenntnisse über Zielgruppen und Produktentwicklungen
Durch das Klicken des „Zustimmen“-Buttons stimmen Sie der Verarbeitung der auf Ihrem Gerät bzw. Ihrer Endeinrichtung gespeicherten Daten wie z.B. persönlichen Identifikatoren oder IP-Adressen für diese Verarbeitungszwecke gem. § 25 Abs. 1 TTDSG sowie Art. 6 Abs. 1 lit. a DSGVO zu. Darüber hinaus willigen Sie gem. Art. 49 Abs. 1 DSGVO ein, dass auch Anbieter in den USA Ihre Daten verarbeiten. In diesem Fall ist es möglich, dass die übermittelten Daten durch lokale Behörden verarbeitet werden. Weiterführende Details finden Sie in unserer  Datenschutzerklärung, die am Ende jeder Seite verlinkt sind. Die Zustimmung kann jederzeit durch Löschen des entsprechenden Cookies widerrufen werden.