Gierlinger
Mitglieder-
Gesamte Inhalte
71 -
Benutzer seit
-
Letzter Besuch
-
Tagessiege
2
Inhaltstyp
Profile
Forum
Galerie
Alle erstellten Inhalte von Gierlinger
-
Nee, keine konkreten Fragen. Aber das Konzept meiner FP30D gefällt mir sehr gut. Wenn ich das auch bei 16mm haben könnte, wäre das fein. Platz ist vorhanden. Aber anscheinend ist die Maschine nicht so oft gebaut worden, weil man swhr wenige Informationen findet. Lediglich ein paar Youtube Videos. Anleitung dazu habe ich gar keine gefunden. Darum wären auch für mich Anwender interessant für Tips und Tricks auf was man bei so einem Kauf achten sollte.
-
Hallo, ist hier ev. jemand im Forum, der eine Kinoton FP18 für 16mm hat und betreibt? So eine Maschine würde mich für mein Kino reizen, aber es ist relativ schwer, über die Informationen zu bekommen. Danke im Voraus. Gruß Richard
-
Ich bin zwar kein Kinobetreiber, und war auch schon sehr lange nicht mehr im Kino seit ich alles selber daheim habe. Aber ich hatte nur einen einzigen Fall wo ich mich mal bei einem Kino beschwerte. Und das direkt per Mail. Die Beschwerde war höflich aber direkt, weil ich keine Lust darauf habe einen Film zu bezahlen, und dann mit mehr als 40 Minuten Werbung erfreut zu werden. Die Antwort war patzig und wenig einsichtig. Mit dem Effekt, daß mich das Kino nie wieder sah, und das auch dementsprechend im Bekanntenkreis kommunizierte. Schlechtes verbreitet sich viel schneller als Gutes. Das haben nur viele noch nicht kapiert, wie das funktioniert. Kritik, sachlich vorgebracht und berechtigt ist immer gut. Den das ist für den Betreiber eine Chance Missstände und Fehler zu erkennen. Viele nutzen diese Chance nicht. Es gibt natürlich auch Trolle, die sich durch das miese bewerten einen Spaß machen. Die muß man dann natürlich erkennen und aussortieren.
-
Hallo, ich suche eine Schaltrolle für 35mm Film. Brauche das Teil, um den Filmstrich bei Schwarzfilm bestimmen zu können wenn ich die Akte zusammenklebe. Darum ist es auch egal, welches Modell. Sollte nur ähnlich wie die auf dem Bild aussehen, damit ich darauf meine Bildstrichmarkierungen machen kann. Gruß Richard
-
Dokumentarfilm über den Filmsammler Wolfgang Schneider
Gierlinger antwortete auf Unforgiven's Thema in Allgemeines Board
Ich habe mir gerade die Biografie von Hr. Schneider durchgelesen. Was mir dabei mal wieder bewußt wurde, viele Filmsammler gehen sehr oft auf Quantität. Es wird alles gesammelt was einem interessiert und in die Finger kommt. Die richtige Lagerung wird dabei sehr oft aus Kosten und Kapazitätsgründen vernachläßigt. Filme in einem normalen Wohnbereich zu Sammeln halte ich für ein absolutes No Go. Ich habe mir dazu ein eigenes klimatisiertes Archiv geschaffen, wo die Temperatur auf 14-16 Grad und die Luftfeuchtigkeit bei ca. 50-55% gehalten wird. Der Platz ist natürlich beschränkt. Aber das was da reinkommt, wird auch vorgeführt und katalogisiert. Ich weiß also auf Knopfdruck was ich da alles gelagert habe. Ich gehe dabei konsequent den Weg "Qualität vor Quantität". -
Suche für meine FP30D folgende Objektive: 55mm und eines mit 105-110mm. Angebote bitte per PN. Danke.
-
Danke für den Tip👍
-
Habe mich heute den ganzen Nachmittag mit dem Teil gespielt. Alle Kabel neu gesteckt und auch einige Verbindungen neu geschraubt. Nun geht er. Da war anscheinend irgendwo eine schlechte Verbindung. die Mist produziert hat. Nun habe ich auf den Meßpunkten auch die Spannung (0V am Anfang und 5V am äußersten Ende). Habe auch schon testweise einen Film aufgezogen. Jetzt muß ich nur noch das Verbindungskabel vom Teller zum Projektor anschließen. Das werde ich Morgen Abend machen. Und geputzt habe ich das Teil auch und alle Rollen geölt. Läuft nun fast wie neu. Derzeit schaut es also ganz Gut aus😊
-
Das hört sich jetzt nicht so gut an. Wenn das der Fall ist, habe ich mir 200Kg Schrott heimgeholt😔
-
Aber eigenartig ist, daß ich an den Meßpunkten keine Spannung habe. Mit der Spannung an den Meßstellen sollte man ja den Hallgeber einstellen können.
-
In Ruhestellung dreht der Filmteller nicht. Dann lenke ich den aus Richtung Mittelstellung. Teller dreht sich und wird auch schneller. Dann reicht eine Kleinigkeit an weiterer Auslenkung, und das Teller dreht mit maximaler Geschwindigkeit. Wenn man nun mit dem Arm zurückgeht ändert sich nichts an der Geschwindigkeit, um dann plötzlich abzubremsen und umgekehrt zu drehen.
-
Hallo, und danke für Deine Rückmeldung. Ja, Funktionsweise von Hallgebern ist mir bekannt. Versorgungsspannung von 5V liegt auch am Geber an. Habe auch den Ausgang gemessen. Da liegt auch Spannung an, die sich mit der Drehung des Gebers ändert. Jedes Bauteil kann mal sterben. Aber in dem Fall verhalten sich alle 3 Teller nicht normal. Und eigenartig ist, daß an den 3 Meßpunkten gar keine Spannung rauskommt. Gruß Richard
-
Danke für Deinen sinnvollen Beitrag der zur Lösung des Problems ungemein hilft. Bevor man mit Halbwissen "Apple" user diffamiert, sollte man sich über die Technik die hinter *.heic Formaten steckt erst erkundigen. Diese Format ist seit Windows 10 und einem entsprechenden Update auch benutzbar. Man sollte halt mal seine alte Microsoftkiste auf Vordermann bringen, bevor man einem Mac User ans Bein pinkelt: https://de.wikipedia.org/wiki/High_Efficiency_Image_File_Format
-
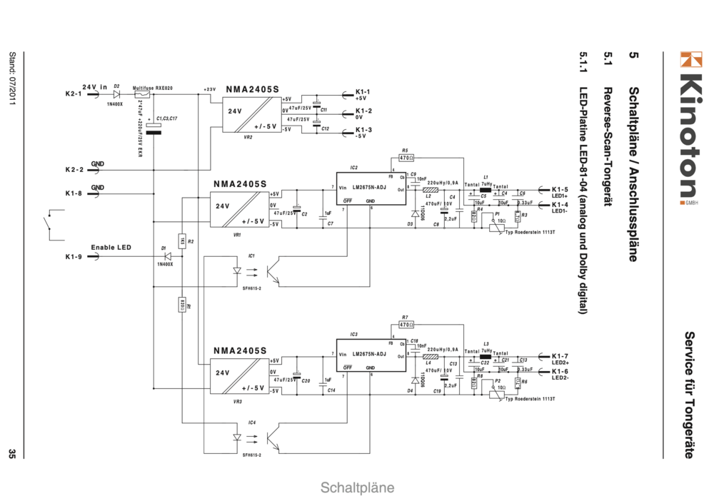
Hallo an Alle! Bin gerade bei der INB meines ST200E. Habe den bisher nur trocken (ohne Film) etwas probieren können. Dabei ist mir aber schon aufgefallen, daß die Regelung der Platten wenn man den Regelarm manuell bewegt etwas komisch war. Habe mich darum dran gemacht, daß laut Anleitung auszumessen und einzustellen. Dabei bin ich schon auf das erste Problem gestoßen: Laut Anleitung gibt es auf der Platine des ST200E 3 Meßpunkte (MP1, MP2 und MP3), wo man die Regelspannung das Hallgebers abgreifen kann. Dort kann ich aber gar keine Spannung messen. Habe dann geprüft, ob beim Hallgeber überhaupt eine Spannung hinkommt. Geprüft und ist OK mit 5V. Zudem habe ich auch die ausgegebene Spannung das Hallgebers direkt gemessen. Das paßt auch. Leider liegt an den Drei Meßpunkten gar nichts an Ich habe den Drehgeber auch schon gelockert und so probiert eine vernünftige Stellung zu bekommen. Aber das was der Teller macht ist jenseits von Sinnvoll. Die 3 Leds auf der Platine (pro Teller) leuchten auch je nach Stellung des Regelarmes. Hat hier irgendjemand Erfahrung mit dem Teil um mir Tips geben zu können? Kann es ev. sein, daß die Platine im Filmteller einen Knacks hat? Danke im Voraus. IMG_6725.HEIC IMG_6724.HEIC IMG_6726.HEIC
-
Tonproblem - starkes Brummen - Kinoton FP30D
Gierlinger antwortete auf Gierlinger's Thema in Technik
Das Problem ist nun endgültig gelöst: Fehlende Erdung des Lichttongerätes! Derjenige der den Projektor abbaute, hat auch die Erdungsleitung vom Tongerät komplett entfernt. Habe diese nun wieder an die entsprechende Klemme der Leiste mit einem neuen Kabel angeschlossen. Jetzt ist der Brumm endgültig weg und es läuft einwandfrei. Dachte schon ich spinne, wie mich das Ding geärgert hat. Habe doch schon etliche Anlagen (Ton und Film) bei mir angeschlossen und habe es immer problemlos zum laufen gebracht. Aber dieser Fehler war so was von primitiv, daß es schon wieder kompliziert war darauf zu kommen. Aber man lernt ja nie aus. -
Tonproblem - starkes Brummen - Kinoton FP30D
Gierlinger antwortete auf Gierlinger's Thema in Technik
Kleiner Bericht zum aktuellen Stand: Habe nun ein geschirmtes Mikrofonkabel im Einsatz. Zudem auch einen Mantelstromfilter, den ich in der FP30D gleich nach der Klemmleiste plaziert habe wo man das Tonsignal abgreift. Von dort geht es mit 5m geschirmten Mikrofonkabel zum Mischpult mit Phonoeingang. Habe damit einen Großteil der Brummstörung wegbekommen. Ganz nicht, aber nun ist es erträglich. Man hört nur in den absoluten Tonpausen etwas. Irgendwo liegt aber noch ein Hund begraben. Die Spannungsversorgung der LED habe ich geprüft. OK. Habe testweise noch einen Siebelko eingebaut. Brachte keine weitere Verbesserung. Es scheint, wie wenn in der Signalaufbereitung der Photodiode noch was zum Signal dazukommt. Da mir die Meßmittel dazu fehlen, kann ich das leider nicht prüfen. Bräuchte dazu ein geeignetes Oszilloskop. Eine Möglichkeit wäre auch noch, meinen Aufbau mit einem anderen Tongerät zu prüfen. Dann ließe sich der Fehler genau eingrenzen ob es noch an der Signalaufbereitung liegt. Auf jeden Fall mal vielen Dank für Eure Hinweise. -
Tonproblem - starkes Brummen - Kinoton FP30D
Gierlinger antwortete auf Gierlinger's Thema in Technik
Danke für Eure vielen Tips und Hinweise. Morgen bekomme ich das Kabel (a-b-Schirm). Mit dem werde ich es dann testen. Mal sehen. Wenns dann immer noch Probleme gibt, muß ich weitersuchen, und auch ggf. auf die Angebote zurückkommen die hier gemacht wurden. -
Tonproblem - starkes Brummen - Kinoton FP30D
Gierlinger antwortete auf Gierlinger's Thema in Technik
Ja, das ist klar, daß das kein optimaler Vorverstärker dafür ist. Hatte aber noch ein paar solcher Verstärker von einem anderen Projekt liegen. Darum müssen die erstmal herhalten für die INB. Wenn dann alles läuft, kommt da dann ein geeigneter Vorverstärker rein. -
Tonproblem - starkes Brummen - Kinoton FP30D
Gierlinger antwortete auf Gierlinger's Thema in Technik
Ich greife die beiden Kanäle für Linke/Rechts im Projektor ab. Liegt alles auf einer Klemmleiste. Da habe ich einen Phono Vorverstärker, und von dem aus gehts dann zum Receiver. Habe aber das richtige Kabel (a-b-Schrim) nocht nicht bekommen. Müßte Morgen kommen. Dann kann ich das richtig anschließen. Habe ja Oben schon ein paar Tips bekommen, wo der Brumm noch herkommen könnte. Muß das nun alles ausprobieren. -
Tonproblem - starkes Brummen - Kinoton FP30D
Gierlinger antwortete auf Gierlinger's Thema in Technik
Danke für die Tips und Hinweise. Ich habe meine Unterlagen durchforstet und eine Doku des Reverse Tongerätes gefunden. Habe daraus den Schaltplan der LED und Tonzelle kopiert. Werde mich Heute mal daran machen das zu zerlegen und die Messungen zu machen. -
Tonproblem - starkes Brummen - Kinoton FP30D
Gierlinger antwortete auf Gierlinger's Thema in Technik
Danke für die Infos. Vorverstärker und Netzteil kann ich ausschließen. Habe ich schon gegen ein anderes getauscht incl. Netzteil -> Keine Verbesserung. Habe mir inzw. ein 2pol. Mikrofonkabel mit Schirm bestellt. Kommt demnächst an. Werde das dann damit austesten. Masseleistung Photodiode? Habe dazu keinen Schaltplan. Wo/wie kann ich das prüfen? Danke. -
Hallo an Alle! Brauche Eure Hilfe: Habe gerade große Probleme bei der INB mit dem Ton bei meiner FP30D. Es brummt massiv. Habe schon den Vorverstärker gewechselt und alle Kabel mit denen ich nach dem Lichttontgerät dann in einen Yamaha Receiver reingehe. Tonsignal ist da. Man hört den Ton, muß aber extrem an der Verstärkung drehen. Aber der Brumm ist dann noch extremer. Bin auch schon ohne Vorverstärker in den Receiver. Ebenso. Habe auch schon überprüft, ob alles auf dem gleichen Stromkreis hängt. Paßt auch. Erdung geprüft: OK Habe mir nun eine DI Box und Mantelstromfilter bestellt. Hoffe, daß das was bring. Bei meiner FP5 nehme ich einen baugleichen Vorverstärker und Kabel und gehe damit in den Receiver: Einwandfreier Ton Hat jemand einen Tip für mich wo da der Hund begraben liegt? Danke im Voraus für Tips.
-
Biete-Bereich: Aktuell überwiegen Anzeigen ohne Preise
Gierlinger antwortete auf mibere's Thema in Ankündigungen und Forum interne sachen
Und täglich grüßt das Murmeltier! Wie ich schon in einem anderen Post geschrieben habe: Verkaufe Auto Marke X, Modell Y. Wenn man Glück hat kommt noch die Beschreibung: Gut Ich wäre dafür, daß man hier auf dem Forum das zur Pflicht macht, Filme genau zu beschreiben, und auch was man sich preislich vorstellt. Alles andere sollte ohne Kommentar gelöscht werden. -
....und man sieht aktuell leider auch immer öfter, daß die Toleranz der sogenannten "Toleranten" gegen Andersdenkende gegen Null geht.
-
And the Oscar goes: In die Mülltonne! Was soll der ganze Mist! Der beste Film und die beste Leistung in allen Bereichen soll den Oscar bekommen. Ganz unabhängig ob da Schauspieler aller Farben und Gesinnungen dabei sind. Muß heute alles Wok und Zwangskonform sein? Früher haben Filme provoziert und neue Horizonte eröffnet. Was gut war hat sich durchgesetzt. Aber nur weil ein Film jetzt irgend welche "Quoten" erfüllen muß, ist er deswegen noch lange nicht gut. Wer das Talent dazu hat, soll Filme machen. Je enger das Korsett, umso mehr Müll wird durchgewunken.
