-
Gesamte Inhalte
49 -
Benutzer seit
-
Letzter Besuch
Über Mirko_K
- Geburtstag 30.10.1980
Profile Information
-
Geschlecht
Männlich
-
Ort
Roßleben
Letzte Besucher des Profils
1.440 Profilaufrufe
-
Schon gemacht. Nur finde ich da nur ältere Antworten wo es die Geräte nicht mehr gibt oder die Leistung bis maximal 2kw reicht. Leider reichen meine Kenntnisse nicht so weit das aus dem Stand mal eben selber zu realisieren.
-
Sorry das ich jetzt hier diesen historischen Thread ausgrabe. Gibt es da aktuell ein passenden Schweißinverter der bis 4kw reicht und hat Tipps, was man da eventuell noch wie umbauen müsste? Aktuell rolle ich hier noch mangels Alternative einen 270kg Schrank von Irem umher. Der Transport ist jedes mal ein Akt. Liebe Grüße Mirko
-
Klebeband für 35mm Klebepresse Wie lange noch?
Mirko_K antwortete auf Thomas007's Thema in Tips und Tricks
Gibt's noch irgendwo welches, von der Apotheke mal abgesehen? Ich hatte bisher noch das Clear Tape von Heidenheim AV. Das war auch wirklich gut. Da ging aber heute leider die letzte Rolle zuneige. AV hat keines mehr, mit Kinoton hatte ich bisher nichts zu tun und weiß jetzt nicht wie man da privat heran käme. Das von Scotch kann man gut und gerne mal zum koppeln der Privatkopie verwenden, dem Verleiher möchte ich so etwas aber verständlicherweise nicht zurück schicken. -
Oben ist ein Fehler drin. PE natürlich auf Pin C0 und nicht C8. Post habe ich schon gesehen, bin aber grad in den Vorbereitungen für meine Hochzeit morgen und schaffe das diese Woche nicht nach Rosenheim. Da brauche ich einen kompletten Tag, sind 530 Km von mir.
-
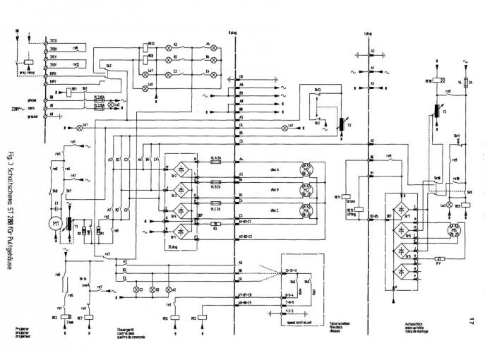
Folgendes Problem. Das Pult ist etwas anders als im Manual und so kann ich die Belegung der Pin's im 30 poligen Stecker nicht ganz lösen. Pläne ganz unten drunter. Klar ist: PE auf Pin C8 L1 auf Pin A9 und B9 (Steuerleitung Stummel Ader Nr. 15) N auf Pin A0 und B0 (Steuerleitung Stummel Ader Nr. 16) Von der Gleichrichterplatine... Steckplatz B über Sicherung VL C auf Pin C4 (Steuerleitung Stummel Ader Nr. 8 ) Steckplatz D, E und F auf Pin C3 (Steuerleitung Stummel Ader Nr. 7) Steckplatz H auf Pin B3 (Steuerleitung Stummel Ader Nr. 5) Steckplatz K über Sicherung VL B auf Pin B4 (Steuerleitung Stummel Ader Nr. 6) Steckplatz L auf Pin A3 (Steuerleitung Stummel Ader Nr. 3) Steckplatz N über Sicherung VL A auf Pin A4 (Steuerleitung Stummel Ader Nr. 4) Steckplatz P auf Pin A2, B2 und C2 (Steuerleitung Stummel Ader Nr. 2) Steckplatz S über Widerstand R3 auf Pin A1, B1 und C1 (Steuerleitung Stummel Ader Nr. 1) Mutmaßlich ist: An Mikroschalter SK 7, Anschluss 1, hängt der Stummel mit der Ader Nr. 19, der wohl auf Pin C6 gehört. Lampe La1, hat das Pult nicht. Am Betriebsrelais Re1, von Kontakt 83, geht eine blaue Leitung zur linken Lüsterklemme, Anschluss Nr. 4. Daran hängt der Stummel mit der Ader Nr. 13, der wohl auf Pin A7, B7 und C8 gehört. Vollkommen fraglich ist: Der Stummel mit der Ader Nr. 9 geht auf linke Lüsterklemme, Anschluss Nr. 6, über ein rosa Kabel, auf den Drehschalter für Teller C (unten), Anschluss 9. Über ein lila Kabel, sind damit auch jeweils die gleichen Anschlüsse 9, der Drehschalter für Teller A und B verbunden. Der Stummel mit der Ader Nr. 10 geht auf linke Lüsterklemme, Anschluss Nr. 1, über ein gelbes Kabel, an die Lampe, die beim Pultschema im Manual als C4 angeben ist (Rot, Links außen über Drehschalter für Teller A (oben)). Das passt aber nicht zum Schatlplan. Im Schaltplan geht nur von den Lampen C2, B2 und A2 ein Kabel direkt auf die Steuerleitung. Der Stummel mit der Ader Nr. 11 geht auf linke Lüsterklemme, Anschluss Nr. 2, über ein grünes Kabel, an die Lampe, die beim Pultschema im Manual als B4 angeben ist (Rot, Links außen über Drehschalter für Teller B (mitte)). Das passt aber nicht zum Schatlplan. Im Schaltplan geht nur von den Lampen C2, B2 und A2 ein Kabel direkt auf die Steuerleitung. Der Stummel mit der Ader Nr. 12 geht auf linke Lüsterklemme, Anschluss Nr. 3, über ein rotes Kabel, an die Lampe, die beim Pultschema im Manual als A4 angeben ist (Rot, Links außen über Drehschalter für Teller C (unten)). Das passt aber nicht zum Schatlplan. Im Schaltplan geht nur von den Lampen C2, B2 und A2 ein Kabel direkt auf die Steuerleitung. Der Stummel mit der Ader Nr. 14 geht auf linke Lüsterklemme, Anschluss Nr. 5, über ein rotes Kabel, an Relais Re 5, Anschluss a. Der Stummel mit der Ader Nr. 17 geht auf linke Lüsterklemme, Anschluss Nr. 8, über ein braunes Kabel, an den X/Y Umschalter, an P1. Der wird im Schema zwar als SK 14 gezeigt, der Schaltplan meint aber SK 2. Das könnte die Leitung für Pin A5 sein. Nur geht die Leitung, anders als im Plan, nicht noch zusätzlich in Relais Re 7. Der Stummel mit der Ader Nr. 18 geht auf linke Lüsterklemme, Anschluss Nr. 9, über ein gelbes Kabel, auf den Drehschalter für Teller C (unten), Anschluss 12. Über ein rotes Kabel, sind damit auch jeweils die gleichen Anschlüsse 12, der Drehschalter für Teller A und B verbunden. Soweit zu den fehlenden Pins. Ich hoffe man versteht in etwa was ich meine. Wenn die Originalsteuerleitung so ein nummeriertes Lapp war, könnte das sogar noch Original sein. Da müsste man eigentlich nur schauen, welche Ader Nr. auf welchen Pin gelötet ist. Hat jemand noch so etwas und könnte mal bitte nachschauen? An dem Pult wurde auch gebastelt. Das war wohl mal links unten ein Schalter Teller/Hand, der ist weg. Rechts daneben wurde ein neuer eingebaut Teller/Spule. Damit konnte man wohl zwischen Teller und Spulenbetrieb umschalten. Soweit mir bekannt, war das ganze an einer Bauer in Betrieb. Damit unterbricht/schaltet man entweder rechte Lüsterklemme Anschluss Nr. 61 EX (im Plan 61 FY) zum Umschalter X/Y SK2, unterbricht/schaltet rechte Lüsterklemme Anschluss Nr. 61 CX (im Plan 37 CX) zum Anschluss 31 von Relais Re 8. Weiterer Unterschied zum Manual, ist die fehlende Reset Taste Sk 14. Das ist nicht zufällig die bei mir rote, unter dem Drehschalter von Teller B? Von dem geht ein schwarzes Kabel auf den Drehschalter für Teller A (oben), Anschluss 3. Damit sind auch jeweils die gleichen Anschlüsse 3, der Drehschalter für Teller B und C, über ein schwarzes Kabel verbunden. Dann nochmal zur Sicherung, rechts über dem Hauptschalter. Das passt nun wieder nicht zum Plan, wo es eigentlich zu Relais RE 7 ginge. Das zweite, rote, führt zu Betriebsrelais Re1, an Kontakt 72. Da vom gleichen Kontakt auch eine rote Leitung zu Relais RE 7 geht, was wiederum zum Plan passt. Von dem Pult muss es wohl im Laufe der Zeit so einige Versionen gegeben haben. Vom Grundprinzip passt das Manual, weicht dann aber in Details doch wieder ab.
-
Ja, die Platine hatte ich da abgezogen, da die Pinbezeichnung auf der Unterseite steht. Wie weit das ganze dann läuft und wo eventuelle Probleme versteckt sind, wird der Testlauf zeigen. Was sich jetzt schon abzeichnet, die Drehschalter haben es hinter sich. Die wurden wohl lange Zeit in einer Stellung belassen und lassen sich nur noch schlecht verstellen. Die gibt es übrigens noch. Drechschalter C22 http://www.mafelec.com/de/unsere-loesungen/steuerungen
-
Da wurde schon schön drin gebastelt, aber ich habe die Anschlussbelegung so weit raus. Danke an Jens, der das richtige Manuel noch hatte. Muss dann nur noch an die MEO, wo auch nichts mehr original verkabelt und dokumentiert ist. Das Pult ist übrigens Baujahr 1976.
-
Das Norelco Manual ist schon einmal nah dran und hilft etwas weiter, danke. Da hätte ich jetzt lange suchen können. Norelco hatte ich eher als US Marke für Rasierer und Video auf dem Schirm. Das Philips die Marke früher auch für Filmtechnik nutzte, war mir jetzt neu. Unter Kinoton fand ich natürlich nur die neueren Modelle. Danke auch für den Tipp mit den Steckern, passende auch schon gefunden. Der Umbau auf einen Satz fabrikneue Harting ist auch nicht günstiger. Bei der Version im Manual, werden aber 2 x 30 polig und 1 x 12 polig als Anschluss verwendet, mit Tastensteuerung. Bei meiner ist nur 1 x 30 polig und 1 x 12 polig am Fuß, Steuerung mit Stufenschalter. Ob meine oder die mit zwei Steckern älter ist, weiß ich nicht. Das Steuergerät hat auch leider keine Plakette mit Modell und Seriennummer. Vielleicht hat oder hatte noch jemand das gleiche Modell in Betrieb. Wenn die Adern nummeriert sind, muss man nur wissen auf, welche Ader auf welchen Pin muss. Jetzt noch ein fertig verkabeltes Pult zu suchen und zu kaufen, wäre Quatsch. Ob Kinoton vielleicht noch irgendwas im Archiv hat? Ich frage einfach mal nett an, vielleicht habe ich Glück.
-
Danke für den Link, aber das Manual ist für die neuere E. Da ist die ganze Steuertechnik im Teller selbst, inkl. Kabellage. Meiner ist noch das Steinzeitmodell und mit externer Steuerung und dazwischen fehlt nun die Strippe.
-
Hallo, ich war gestern wieder unterwegs und konnte unter anderem eine ältere Telleranlage erstehen. Bevor ich die aber überhole und montiere, stehe ich vor einem kleinen Problem. Alles komplett, inklusive zwei mechanischer Einsteckeinheiten, Ringe, Steuerpult... aber die Verkabelung fehlt. Am alten Standort war das Kabel wohl fest verlegt und wurde einfach am Pult abgeschnitten, der Rest, samt Steckern, verschollen. Die passenden Stecker wird man wohl nicht mehr bekommen, so weit kein Problem, geht mit neuer Steuerleitung ja auch fest verdrahtet. Allerdings fehlen mir die Unterlagen dazu, konnte online auch nichts finden und ich weiß im Moment nicht, wie ich das ganze korrekt verdrahten muss. Das Pult hatte ich jetzt in der Eile noch nicht offen. Kurze Kabelreste stecken noch drin und wenn ich richtig geschaut habe, sind die einzelnen Adern der Steuerleitung auch nummeriert. Hat zufällig noch jemand die Unterlagen, insbesondere Verdrahtung? Liebe Grüße Mirko
-
Das ganze wieder montiert und im Testbetrieb. Lief zwei Stunden, ohne Filter und mit unrunden 4000er Spulen, ohne das geringste Problem. Der Kopf wird zwar wirklich heiß, gibt aber kaum davon auf die Kopie ab und bleibt weit unter Toleranz. Am Lampenhaus muss noch etwas geändert werden, der Kopf bekommt wieder eine kleine kompakte Wasserkühlung, damit der sich nicht ganz so aufheizt und dann läuft er perfekt.
-
Muss auch keine Absicht sein. Manchmal taucht so etwas per Zufall irgendwo auf und die Leute wissen nicht wirklich was damit anzufangen, können den Inhalt nicht einmal sichten und veräußern das eben mit der größtmöglichen Chance es los zu werden. Ärgerlich für Sammler, vor allem für Leute, die speziell an diesem Thema Interesse haben. Aber so ist es irgendwo noch besser, als wenn es heimlich im Container landet. Und das ist bei vielen Privataufnahmen der Fall. Da ist auch einer, der anscheinend irgendwie an Material aus dem SFB Archiv gekommen ist und das nun in Massen verteilt. Schlimmer sind dann eher die Fälle, wo z.B. klar erkennbar, ganze Spielfilme als Einzelakte raus gehen. Bauchschmerzen bekomme ich, wenn der Wickel dann noch ungeschützt auf Hofpflaster oder Rasen liegend präsentiert wird. Und einem Herzinfarkt nahe war ich, als Star Wars gleich in einzelnen Frames auftauchte.
-
Ein kleines, wirklich selbstständiges Kino, wäre mir auch sympathischer und absolut unterstützenswert. Nur leider sind die längst alle, im größeren Radius, vom Markt. 30 km entfernt ist noch Sangerhausen, ein Movie Star, was dem noch nahe kommt. Preise stehen da jetzt leider nicht. Dann muss man aber schon 60 fahren, Filmpalast Nordhausen (gleicher Preis wie Jena), Naumburg, Halle, Jena... alles größere. Ist auch der Grund, warum ich versuche, vor Ort etwas kleines, außer Konkurrenz, aufzuziehen. Sind einfach eine Menge vom Kino hier abgehängt, mit Öffis kommt man hier nicht einmal in eines.
-
Da sind dann für zwei, mit Anfahrt, günstigstes Getränk und günstigster Snack, schnell mal 60€ weg. Nö Disney, ich glaube das fällt dann aus.
-
Für 25 ist der unten, der kann erst einmal runter und der Stecker anders belegt werden. Bis wir alles komplett bewegen können, muss nämlich der Kopf immer runter und alle Kabel ab. Der obere geht im Moment sowieso nicht runter, die eine Madenschraube, in der Zahnriemenscheibe, sitzt nämlich bombenfest. Leider half da auch kein "Panic" Taster :mrgreen: Am Kabel vom oberen Motor war noch eines Kabelbindern befestigt, nur eine Klemme dran. Noch so eines ist Am Lampenhaus befestigt. Was war da eigentlich dran?
