-
Gesamte Inhalte
13 -
Benutzer seit
-
Letzter Besuch
Über Wombel1969
- Geburtstag 18.06.1969
Contact Methods
-
Skype
wolfik010
Profile Information
-
Geschlecht
Männlich
-
Ort
Düsseldorf
-
Interessen
Vintage Hifi, Studiotechnik, Funkamateur, Fotografie, Familie
Letzte Besucher des Profils
2.139 Profilaufrufe
-
Hallo Stefan, vielen Dank für deine Infos. So in der Richtung hatte ich es fast schon vermutet. Da war ich heute Abend doch ziemlich mutig, ich habe mal einige Messungen an dem Verstärker gemacht und habe nur diese Gegenkopplungswicklung mit 8 Ohm Dummy belastet (100 W). Für die 400 Ω Wicklung habe ich keinen vernünftig belastbaren Widerstand von 400 Ω da. Aber ganz ohne Last wollte ich den Übertrager auf keinen Fall lassen, er ist aber bei der ganzen Messerei nicht einmal lau warm geworden. Eine kurze Zusammenfassungen der gemessenen Werte: 4 Ω Wicklung max. 11,7 V bei 8 Ω Last und 5 % Klirr., = ca. 17 Watt 400 Ω Wicklung 135 V ohne Last und 5 % Klirr, max 140 V bei 8,8 % Klirr. Drehe ich weiter auf, steigt der Klirr weiter, aber die gemessene Spannung sinkt wieder! Die 4 Ω Wicklung war dabei weiterhin mit 8 Ω belastet! = theoretisch 45 Watt an 400 Ω, ich denke, das lässt sich so nicht korrekt messen, da muss ein 400 Ohm Lastwiderstand an diese Wicklung, und die 4 Ω GK-Wicklung sollte dann unbelastet sein. Mir ist noch aufgefallen, dass der Klirr des gesamten Verstärkers kaum unter 2 % zu bekommen ist, egal mit welchem Pegel ich arbeite. Ich habe dann festgestellt, das die erste EF 86 als Eingangsröhre, ganz erheblich zum Gesamtklirr beiträgt. Ich gehe mal davon aus, dass das daran liegt, das diese Eingangsstufe in sich keine Gegenkopplung hat, da der Kathodenwiederstand durch zwei Elkos (1 x Bassregelung) überbrückt ist. Drehe ich die Bässe raus, sinkt der Klirr etwas ab. Wenn ich meinen Generator direkt am Lautstärkeregler einkoppele, also nach der ersten Stufe, erreiche ich bei 20 Volt Ausgangsspannung an der 100 V Wicklung ca. 0,16 % Klirr, was schon wesentlich besser aussieht. Bei 1 % Klirr ergibt sich eine Ausgangsspannung von 85 Volt (18 W an 400 Ω). Da muss ich aber nochmal genauer messen, wenn ich einen vernünftigen 400 Ω Lastwiderstand habe, aber die Tendenz finde ich schon nicht schlecht. Ob ich auf den Übetrager noch eine Wicklung mit 48 Windungen mit 1 mm CuL drauf bekomme, muss ich mir mal genauer ansehen. Das wäre eine gute Lösung und würde einen zusätzlichen Übertrager sparen, zumal der verhandene recht gut zu sein scheint. Bei 40 Hz macht immerhin noch 107 V bei 5 % Klirr, bei 20 Hz nur noch 28 V bei 5%, aber das finde ich trotzdem noch sehr ordentlich. Im Hochtonbereich hat er eine ausgeprägte Resonanzspitze von fast +14 dB bei 30 kHz, aber ich denke, dass das daran liegt das diese Wicklung unbelastet läuft. Die 4 Ω Wicklung hat nur eine kleine Resonanz von +1 dB bei 15 kHz. Ist schon erstaunlich wie unterschiedlich sich die beiden Wicklungen vom Frequenzgang her verhalten. Aber wie geschrieben, richtige Messungen kann ich wohl erst mit einem vernünftigen 400 Ω Lastwiderstand machen, dann muss ich meine ganze heutige Messreihe wiederholen. Gruß Wolfgang Funkwerk Leipzig RFT TV 3 bearbeitet.pdf
-
Sieht für mich jedenfalls ziemlich ungewöhnlich aus, so ein Leistungswiderstand am Rundfunkeingang ... Jetzt hat der Verstärker ja einen 100 Volt Ausgang mit 400 Ω (lt. Beschriftung und auch gerechnet), zusätzlich gibt es aber auch noch einen Kopfhöreranschluss mit 2 Bananenbuchsen auf der Front. Irgendwo habe ich mal was von 8 Ω gelesen, finde aber nicht mehr, wo ich das herhabe. Wenn ich von den Windungsverhältnissen, die auf dem Übertrager stehen, ausgehe, müsste das sogar ein 4 Ω Ausgang sein. Kann man überschlägig sagen, wie belastbar dieser Ausgang ist? Ich habe bisher eine kleine 8 Ω Monitorbox dort angeschlossen, die so einwandfrei betrieben werden kann. Natürlich habe ich darüber nicht Stundenlang bei voller Ausgangsleistung gehört. Die Drahtstärke dieser 4 Ω Wicklung entspricht der der 400 Ω Wicklung von 0,42 CuL, wobei bei 8 Ω bzw. 4 Ω der fließende Strom doch wesentlich höher ist, als bei der 100 Volt (400 Ω) Wicklung. Ist das Ok, hier eine normale Lautsprecherbox von 4 bis 8 Ω anzuschließen, ohne das man den Übertrager bzw. die Wicklung überlastet? Oder muss ich zwingend einen Leistungsstarken 100 Volt Übertrager am 100 Volt-Anschluß anschließen um die volle Leistung nutzen zu können? Hier mal die kompletten Daten zum Ausgangs-Übertrager lt. Beschriftung: Primär: 850 + 850 Windungen = 5 kΩ Raa für Gegentakt (0,3 CuL) Sekundär: 480 Windungen = 400 Ω (0,42 CuL) 48 Windungen = 4 Ω (0,42 CuL) Also ein Übertragungsfaktor von 3,54 : 1 für die 100 Volt (400 Ω) Wicklung, und eine Übertragungsfaktor von 35,4 : 1 für die 4 Ω Wicklung. Für die Impedanzen entsprechend quadratisch (12,54 : 1 und 1254 :1). Viele Grüße Wolfgang
-
Ja stimmt Jens, du hast recht - keine RIAA-Entzerrung notwendig. Mit dem Verstärkungsfaktor erhöhen ist es aber schwierig, da die erste Stufe keine Gegenkopplung hat, die man noch vermindern könnte. Außer dem Regler für die Gonglautstärke ist auch kein Widerstand zwischen Gong und Steuergitter der ersten Röhren. Ich werde es erstmal mit einem Piezoelement versuchen, falls ich etwas brauchbares finde. Ich habe mir eben mal die Eingänge angeschaut und was mir aufgefallen ist, ist der dicke 3-4 Watt 10 kΩ Widerstand am Rundfunkeingang zwischen Kontakt 2 und 3. Wofür ist denn der so dick? Der sieht ja so aus, als würde man darüber das ganze angeschlossene Gerät mit Strom versorgen können, obwohl es hier keine Verbindung zum Netzteil gibt. Gruß Wolfgang
-
Deswegen, einen Phonoentzerrer will ich da eigentlich nicht noch einbauen 😁. Das wäre ja noch mal eine ECC 83 oder so etwas mehr. Ich werde mal nach dem Mikrofon suchen. Ein entkopplungskondensator (500 pF Keramikröhren) ist im Gong-Gehäuse bereits mit eingebaut. Den habe ich geprüft, da der Gong so leise ist. Der ist aber ok. Wolfgang
-
Das Piezoplättchen ist hier diagonal eingebaut, zwei Ecken werden durch den Bügel am schwingenden Draht bewegt, die anderen beiden Ecken sind an der Leiterplatte befestigt. Ich muss mal im Keller kramen, ich meine ich hätte da noch eine halb zerlegte Karamik-Mikrofonkapsel mit defekter Membran liegen, das müsste ja dann genau das richtige sein. Ein Keramik-Tonabnehmer möchte ich nur ungern dafür opfern. Würde ein Magnetsystem hier nicht die Klangcharakteristik stark verändern und wäre vielleicht auch zu leise? Ich habe gerade mal die beiden Kathodenelkos überprüft, die haben laut Beschriftung jeweils 50 µF / 25 V von Frolyt. Einer hatte nur noch 39 µF, der andere immerhin 72 µF. Ich habe jetzt beide gegen 100 µF / 63 V ersetzt. Beide haben auch ziemlich genau 100 µF und passen sehr gut in den vorhandenen Gewebeschlauch rein, so dass sie als Neuteile gar nicht sichtbar sind. Ich habe mir in der Bucht zwei Großtuchel-Stecker bestellt, wenn die in den nächsten Tagen da sind, kann ich auch mal genauere Pegelmessungen mit meinem Audioanalyzer machen und mal ausmessen, wie die Aussteuerbarkeit im Tieftonbereich aussieht. Was nimmt man am 100 Volt Ausgang üblicherweise für einen Lastwiderstand zum Messen? Sind da 400 Ohm OK? Meine Messungen bisher habe ich mit einem 8 Ohm Lastwiderstand am Kopfhörerausgang vorgenommen, aber da ist die maximale Spannung bei ca. 10 V / 12,5 Watt. Dabei komme ich am 100V Ausgang auf 126 Volt / 40 Watt (400 Ohm theoretisch) aber ohne Lastwiderstand an diesem Ausgang. Ich denke, ich bekomme aussagekräftigere Messergebnisse wenn ich am 100 Volt Ausgang messe, aber da brauche ich den richtigen Lastwiederstand. Gruß Wolfgang
-
Wombel1969 hat das Profilbild geändert
-
Stefan, du hast in deinem Beitrag eine Schaltungssammlung erwähnt. An weiteren Unterlagen zu dem Verstärker wäre ich sehr interessiert. Außer dem Schaltbild habe ich nichts zu dem Gerät. Könntest du mir da Dokumente per Mail zukommen lassen, wenn du was hast? Wäre super. Gruß Wolfgang
-
Hallo Jens, hallo Stefan, vielen Dank für eure Hinweise. Ich denke, dass ich alle defekten Kondensatoren erwischt habe. Probleme haben vor allem die silbernen Kondensatoren mit dem Glaskopf gemacht (50 nF/500V) Vor allem am Steuergitter einer Endröhre hatte ich eine zu hohe Spannung, die nach Tausch des Kondensators verschwunden war. Ebenso am Eingang, wenn ich auf eine Tonzelle geschaltet habe. Ich habe gestern gesehen, dass ich die beiden Kathoden-Elkos in der Endstufe noch prüfen muss, die habe ich zuerst nicht gesehen, da sie hinter der Leiterplatte so versteckt angebracht waren. Ich werde mal sehen, ob ich in meinem Bastelmaterial noch ein altes Piezokeramisches Tonabnehmersystem finde. Das hatte ich auch schon überlegt, so etwas zu nehmen. Wie ist da eure Erfahrung, geht dieses Piezoelement gerne durch Feuchtigkeit kaputt? Gebrochen ist es nicht, es sieht eigentlich einwandfrei aus (kleines Quadrat mit blauer Folie auf dem Bild). . Die Anregung der Federschwingung erfolgt dann elektromagnetisch über eine Kondensatorentladung über die Spule. Viele Grüße Wolfgang
-
Revision RFT TV3 Kinoverstärker
Wombel1969 hat Bilder hinzugefügt zu ein Galerie Album in Alben von Mitglieder
-
-
-
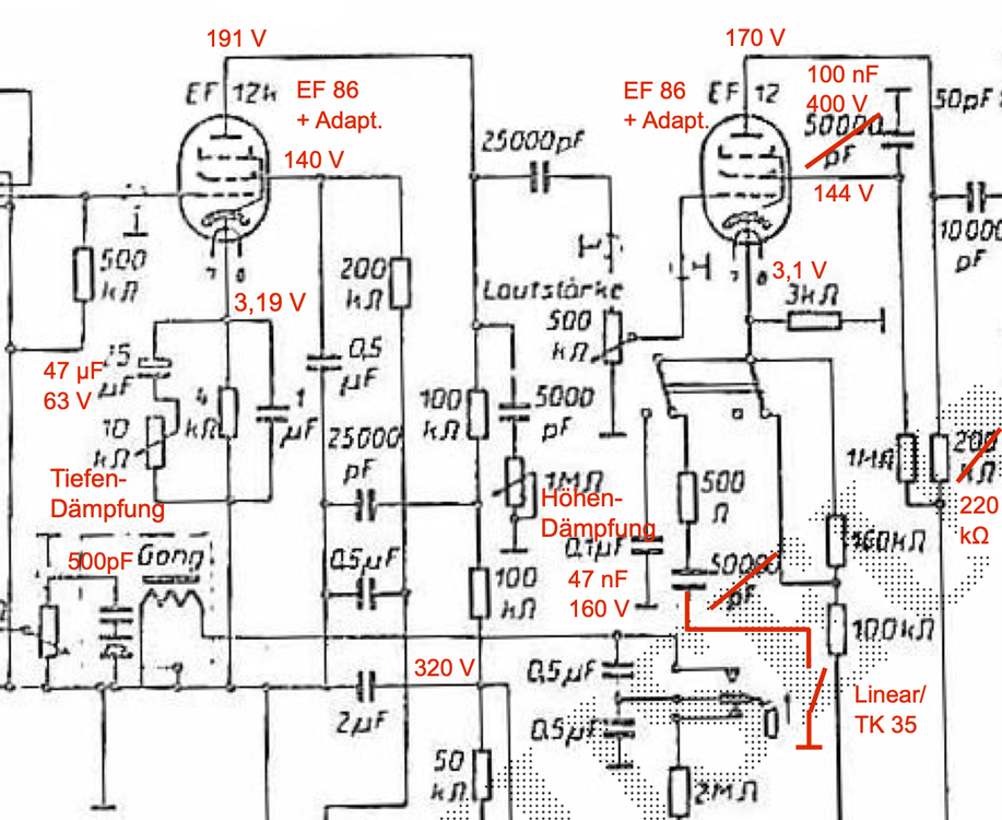
Ich versuche einfach mal ein Bild aus der Galerie einzufügen: Schaltbild zum RFT TV3 mit gemessenen Spannungen und Kommentaren Viele Grüße Wolfgang
-
-
- rft tv3
- röhrenverstärker
-
(und 1 weiterer)
Markiert mit:
-
Ich weiß nicht, ob das korrekt ist, wenn ich diesen Tread hier mal wiederbelebe, aber ich habe mich hier angemeldet, weil ich einen RFT TV3 Verstärker habe, den ich schon weitgehend fertig gemacht habe, aber zu dem ich noch ein paar Fragen habe. Wenn das hier falsch sein sollte, kann der Beitrag auch gerne in ein neues Thema verschoben werden. Ich kann mich erstmal kurz vorstellen, mein Name ist Wolfgang, bin 51 Jahre alt und komme aus der Nähe von Düsseldorf. Seit einigen Jahren habe ich wieder angefangen mich mit alter Hifi-Technik zu beschäftigen (60er bis 90er Jahre). An den TV3 bin ich eher durch Zufall gekommen. Ich kann erstmal beschreiben, was ich bisher unternommen habe: alle EF 12 Pentoden wurden wohl ab Werk/Service durch EF 86 mit Adapter auf den Stahlröhrensockel ersetzt und laufen noch gut (jeweils > 1mA Anodenstrom) als erstes die Brücken am Netztrafo geändert, damit er an 220 Volt betrieben werden kann, eine vorhandene kleine Zusatzwicklung noch mit dazu geschaltet, bei 226 V~ Primärspannung, ergeben sich nun 6,19 V~ Heizspannung und 356 V~ an den äußeren Abgriffen der Sekundärwicklung, was ich für sehr OK halte nachdem einer der 50nF/500V Kondensatoren vor den Endröhren EL12 Gleichspannung durchließ (19V am g1) habe ich diese Kondensatoren komplett getauscht und durch 100nF/400V MKP ersetzt alle anderen Kondensatoren scheinen nach meinen Messungen soweit ok zu sein der Gong funktioniert, ist aber ziemlich leise der Anodenwiderstand von 200 kΩ der 2. Pentode war hochohmig, ich habe ihn durch einen 220 kΩ / 2W Metallfilm ersetzt, Anodenspannung jetzt bei 170 Volt der 25 µF/35 V Elko an der Kathode der ersten Pentode, hatte nur noch 300 nF, diesen habe ich durch 47 µF/63 V ersetzt, jetzt wirkt der Bassregler auch wieder beide Schaltstellungen für die Projektorauswahl TK16/TK35 bewirken eine mehr oder weniger starke Höhenanhebung, über einen zusaätzlichen Schalter habe ich den 50 nF Kondensator in Stellung TK35 abschaltbar gemacht, so dass der Frequenzgang des Verstärkers mit beiden Klangreglern am Anschlag = minimale Dämpfung, nun fast linealglatt ist Nun meine Fragen zu dem Gerät: hat jemand Erfahrung mit den Metallgekapselten Block-Kondensatoren in diesem Gerät, sind diese durchweg unproblematisch oder sollte man die lieber tauschen? Die, die ich bisher durchgemessen haben, scheinen alle ok zu sein. Ich denke, dass die Sikatrop-ähnlichen Kondensatoren unkritisch sind, bei diesen habe ich auch noch keinen defekten gefunden Kann man an der Lautstärke des Gongs noch etwas machen? Ich habe ihn mal auf gehabt und gesehen, dass der Ton über ein Keramik- oder Piezoelement abgenommern wird. Ein Spiralförmig gebogener Draht wurd durch einen Impuls auf einen Elektromagneten in Schwingung versetzt. Ich vermute, dass dieses Piezoelement durch Alterung nicht mehr optimal den Ton von der Spiral abnimmt. Gebrochen ist dieses quadratische Element nicht, es sieht einwandfrei aus. Es scheint mir insgesamt ein robuster und zuverlässiger Verstärker zu sein. Ich hatte bei meinen ganzen Arbeiten und Versuchen nie merkwürdige Effekte, er hat immer getan, was ich erwartet habe. Ich habe bisher noch keinen so fetten Ausgangsübertrager gesehen, der noch dazu problemlos bis über 22 kHz läuft. Ab 15 kHz bis 22 kHz hat er eine leichte Resonanzspitze von ca 3 dB nach oben. Weiter konnte ich mit meiner Soundkarte leider nicht messen. Nach unten scheint er bis ca. 10 Hz zu gehen, bis zu welcher Leistung er da noch verzerrungsfrei arbeitet, muss ich noch genauer ausmessen, aber ich bin schon mal sehr beeindruckt, von einem Gerät von Anfang der 50er Jahre. Gerne würde ich hier noch ein paar Bilder einbinden, aber scheinbar geht das hier nur als Link zu einem Bilderhoster. Was könnt ihr da empfehlen, wenn die Bilder nicht nach einem halben Jahr im Nirwana verschwinden sollen? Viele Grüße Wolfgang
