-
Gesamte Inhalte
533 -
Benutzer seit
-
Letzter Besuch
-
Tagessiege
4
Inhaltstyp
Profile
Forum
Galerie
Alle erstellten Inhalte von tornadofilm
-
Ich fand diesen Beitrag total klasse, super erklärend.
-
Selbstgebaut 4K 35mm Filmscanner mit Kamera Olympus Pen E-PL3
tornadofilm antwortete auf tonimanero's Thema in Technik
Bin beeindruckt! Das sieht echt gut aus. Liegt der leicht unruhige Bildstand am Trailer? -
Das war dann der Anfang von Super 35 😄
-
Als Scanning von 35mm in Breitbild, oder in 4:3?
-
Beim Überblenden wird ja zwischen den Lampen geschaltet, nur die 2x 100watt Motoren laufen kurz gemeinsam. Ich hatte eine TK16 an einem 12 Volt 1500 Watt Inverter zu laufen, okay nur mit 750 Watt lampe, der Motor ist der selbe, ging selbst mit dem TV20 drann noch problemlos.
-
2000 watt sollten eigentlich völlig ausreichen, für eine betriebene Maschine. Wenn die 50 Hz halbwegs eingehalten werden und die Spannung sinusförmig ist sollte es funktionieren. Die Drehzahl ist ja von der Frequenz direkt abhängig.
-
Selbstgebaut 4K 35mm Filmscanner mit Kamera Olympus Pen E-PL3
tornadofilm antwortete auf tonimanero's Thema in Technik
Sehr schön, da würde mich einmal das fertige Ergebniss interessieren. Wie machst Du das mit dem Ton? -
Disney-Zeichentrickklassiker - für Kinder ungeeignet?
tornadofilm antwortete auf magentacine's Thema in Nostalgie
"Die ewig Gestrigen" war eines der Liebelingssynoyme von Karl Eduar v. Schnitzler, für Adenauer, Lübcke, Globke und Co, also den Altnazis. Ich würde mich nicht so titulieren lassen. Hat schon Geschmäckle gerade diesen Begriff zu verwenden........ -
Disney-Zeichentrickklassiker - für Kinder ungeeignet?
tornadofilm antwortete auf magentacine's Thema in Nostalgie
Am schlimmsten sind die ewigen Bedenkenträger, Dauerempörten und Empathiesympathisanten. Die kommen für mich gleich nach den Kobolden in Batterien sowie Zeitgenossen die den Strom gleich im Netzt speichern wollen. -
TK35-Kinoprojektor noch kompakter und leistungsfähiger
tornadofilm antwortete auf Martin Rowek's Thema in Technik
Ich möchte mich da vollkommen anschliessen. Wer schon einmal versucht hat eine TK35 bei Temperaturen um die 10 grad zu starten, weis wie schwer sich der kleine 90 watt Motor tut. 250 Watt Halo IM Lampenhaus, bei gut zentrierten System machen da eigentlich keinen Unterschied. Der Aufbau an sich ist sehr solide, finde ich. Vielleicht hätte man die Umlaufblende extren über einen kleinen Schrittmotor o.ä. antreiben können. Impulsgesteuert mit Hallgeber am grossen Antriebsrad, zum Beispiel. -
Statusmeldung über Google einsehbar?
tornadofilm antwortete auf tornadofilm's Thema in Ankündigungen und Forum interne sachen
Besten dank für die Erklärung. "Öffentlich" für alle Forenmitglieder, nahm ich an. -
Problem mit Schaltgerät / Tonlampe bei TK
tornadofilm antwortete auf filmfritzeneu's Thema in Technik
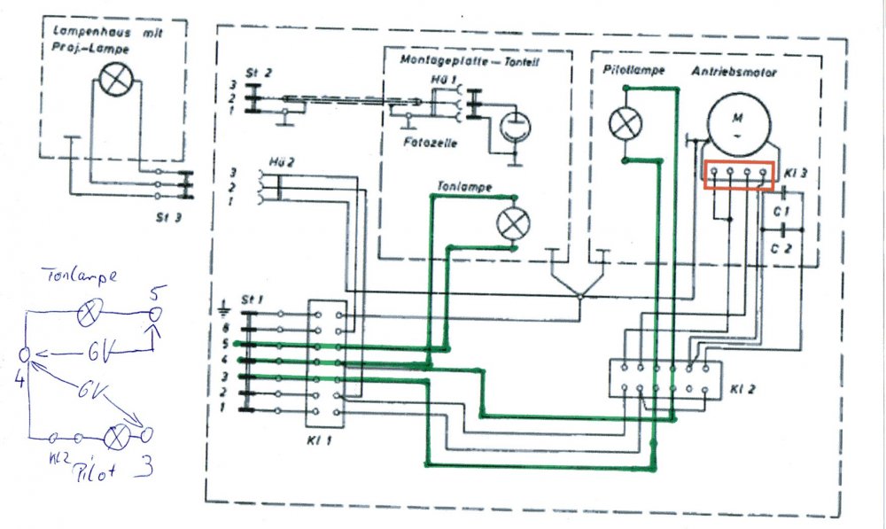
Bei den Schaltgeräten welche ich in der Mache hatte, wurde das Pilotlicht immer vom TL Gleichrichter mitversorgt. Selbst wenn es bei älteren Ausführungen noch eine separate Wicklung gab und beide auf Masse geführt worden, also 6 volt minus an 6 volt wechselspannung, dann die Masse fehlen würde, kann man nicht die beiden Spannungen einfach addieren. Es kommt nicht einfach die halbe Halbwelle zu negativ oder positiv dazu. Zum Anderen wäre die Wicklung für die Pilotlampe nur für ein paar hundert miliampere ausgelegt. Mehr als eine Fahrradrücklichtbirne ist die Pilotlampe ja nicht. Um das Problem mit der Gleich oder- Wechselspannung beim Messen zu umgehen, einfach mit einer 6 Volt 5 Watt KFZ Lampe prüfen. Zwischen Kontakt 4-5 und 4-3 sollte diese leuchten -
Problem mit Schaltgerät / Tonlampe bei TK
tornadofilm antwortete auf filmfritzeneu's Thema in Technik
Wenn der gemeinsame Massepunkt fehlt liegt überhaupt keine Spannung an, da Klemme 5 und 6 das gleiche Potential haben. Prüfe am Schaltgerät die Steckdose an den Anschlüssen 4-5 und 4-3, dort muss bei eingeschalteten Projektor jeweils 6 Volt anliegen. Die Pilotlampe geht auch noch über den Filmrissschalter, wenn der verdreckt ist kann die auch dunkel bleiben. -
Problem mit Schaltgerät / Tonlampe bei TK
tornadofilm antwortete auf filmfritzeneu's Thema in Technik
Kann ich nicht zustimmen, dann würde ja immer bei ausgeschalteter Tonlampe die Pilot durchbrennen. Ich nehme mir nachher mal die Schaltung vor, das kann nicht viel sein. -
Siemens 16mm Standart 1935 Einzahngreiffer
tornadofilm antwortete auf tornadofilm's Thema in Schmalfilm
Ich möchte mich auf diesem Weg bei Chris und Thomas für das selbstlose Überlassen von 2 Siemens Standard 16mm Projektoren bedanken und mal zeigen was aus dem Projekt der Instandsetzung geworden ist. Aus 3 mach Einen ist geglückt und mit dem Klangfilmzusatz versehen. Licht spendet einen 24volt 250 Watt Halo, extrem nah am Kondensor ist die Ausleuchtung recht gut. Der Trafo dazu sitzt im Kasten unter dem Projektor zusammen mit dem Dimmer für den Motor. Der ist mechanisch auf höchste Drehzahl eingestellt und kann über den Dimmer daher mit reduzierter Drehzahl und somit viel leiser laufen. Der 600 Meter Aufsatz ist von einer Meoclub, angetrieben von einem Mabuchi Akkuschraubermotor. Spannung von einem alten PC Netzteil geregelt, woher auch die Spannung, 12 Volt, für die Ton Lampe kommt. Diese ist eine 21 Watt KFZ Lampe in einem Adapter, eingeregelt mit 50 Hz auf höchste Lautstärke. Spaltschärfe mit einem Test Film auf maximal Höhen eingestellt. Leider kommt das bei dem alten Schulfilm aus den 60zigern nicht wirklich rüber, er ist von Hause aus relativ dumpf. Mit dem Aufwickelantrieb zieht er getrost 600 Meter durch ohne zu mucken. Nur der, ach so schonende, Einzahngreifer hackt ziemlich beherzt in die Perfo, darum auch der olle verregnete Film. Alle An- und Umbauten lassen sich sehr schnell wieder zurückbauen, nur für die Puristen im Forum. Viel besser sind Bild und der Ton beim Foton Elektor-Junior auch nicht. Alle Achtung bei einem über 80 Jahre alten Amateurgerät. -
TK35 - welche Sicherung ins Schaltgerät?
tornadofilm antwortete auf filmfritzeneu's Thema in Technik
Falls immer, ohne ersichtlichen Grund, mal wieder eine Glassicherung in diesem Schaltgerät auslöst, alle Kontaktflächen des Sicherungshalters reinigen, auch die Anschlüsse im Inneren. Durch Korrosion kommt es gern zu hohen Übergangswiderständen mit extremer Wärmeentwicklung, welche die Glassicherungen einfach durch Wärme auslösen lassen. Schon zig mal erlebt. -
Seltsame Bauer Selecton S oder T? Vorserie?
tornadofilm antwortete auf tornadofilm's Thema in Schmalfilm
Im Prinzip stimmt alles. Es muss ein Nachkriegseigenbau sein. Habe mir heute mal meine S und die T vorgenommen. Das Loch für die Tonoptik wurde nachträglich reingesägt. Die Photozelle ist eine Siemens, auf jeden Fall. Selbst meine Siemens Standart mit dem Klangfilmzusatz hat eine rotierende Tonbahn, Schwungmasse würde ich nicht wirklich dazu sagen. Da wird der Film auch nur gut zur Hälfte, mit der Kraft der Aufwicklung, nach der Letzten Zahnrolle, über die "Schwungmasse" gezogen. Die Tonbahn bei der Bauer T ist wirklich starr, was das Einzige ist was der Eigenbau gemeinsam hat. Ich werde sie nicht wieder reaktivieren, eher zerlegen und den Ersatzteilen zuführen. -
Mir ist eine Bauer Selecton untergekommen die ich so noch nicht gesehen habe. Irgendwie ein Zwischending von Selecton S und T. Das Teil sieht schon arg mitgenommen aus, ist aber fast alles nur Flugrost, der Motor dreht frei und es gab 2 Optiken für lau. Die Anordnung der Zahnrollen, besonders die der Abwickelseite ist genau wie beim T Modell. Die Vorberuhigung (vor der Abtastung) bewirken solche gebremsten Laufrollen. Bei der T ist es eine unter Federdruck stehende Andruckrolle. Die Schwungmasse fehlt total, würde aber filmlaufmäßig hinpassen. Leider fehlt die Ton Optik in Gänze (hat vllt. jemand etwas in der Art abzugeben?) Das Loch dazu ist recht groß. Kann es eine Vorserie sein? Oder ganz und gar ein Eigenbau? Dann muss der Jemand aber gute Kenntnisse in der Materialbearbeitung gehabt haben, schon um die 2te Zahnrolle zu versetzen. Kann sich da wer einen Reim darauf machen?
-
Hat jemand Lust einen Oldy zu entwickeln?
tornadofilm antwortete auf tornadofilm's Thema in Schmalfilm
Das ist mir schon bewußt, aber nirgendwo in alten Orwo Wolfen Unterlagen taucht etwas über die Produktion von dieser Art Kassetten auf. Zumindest nicht nach 45. -
Hat jemand Lust einen Oldy zu entwickeln?
tornadofilm antwortete auf tornadofilm's Thema in Schmalfilm
Also, in dieser Kamera war er drinnen. Vielleicht kann man über die Seriennummer auf das Alter schliessen. Da sie im "Osten" gefunden wurde, ging ich von einer Vorkriegsproduktion aus. -
Eine Kassette aus einer Agfa Movex8. Vor 20 jahre mal ein Beifang und mir wieder vor die Füße gefallen. Muss von vor 45 sein. Hat einer Lust sich zu probieren? Nur die Kassette hätte ich gern zurück. Würde aber gern wissen ob noch etwas zu sehen ist.
-
Wir hatten einmal ein Benning Ladegerät für Netzersatz zu transportieren. Stehend nicht in den Bulli gepasst, also auf die Seite gelegt. Böses Erwachen beim Ausladen. Der Trafo, gute 40 kilo, hatte sich aus dem Montageblech gerissen. Laut Auskunft von Benning, Funktion und Transport nur stehend erlaubt. Nur dann reicht die Konstruktion des Einbaus für Betrieb und Transport. Stand aber auch in der Beschreibung, aber wer denkt denn an so etwas.......
-
.. sind doch eh alles olle Kamelle
-
Stroboscopscheibe für Siemens 16mm Standart gesucht
tornadofilm antwortete auf tornadofilm's Thema in Schmalfilm
Besten Dank, Tante Kugel brachte bei "Stroboskopscheibe berechnen" leider nicht das Gewünschte.
