Zum Inhalt springen

Empfohlene Beiträge

Geschrieben (bearbeitet)

Hier eine weitere Flick-Geschichte, eine Nachlese zur Reparatur meines Visacustic 2000 letzten Monat. Wie sich der eine oder andere aus diesem Thread erinnert

hatte ich einen Totalausfall des Visacustic wenige Tage vor der letzten Börse.

Gleiches/ähnliches Problem hatte @Didi Schaub hier wenige Monate zurvor:

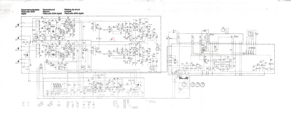
Hier noch mal mein Exemplar des Original (!) Schaltplans:
image.thumb.jpeg.61138c60cf97fabfa3c984aef1b5f0ce.jpeg

 

 

 

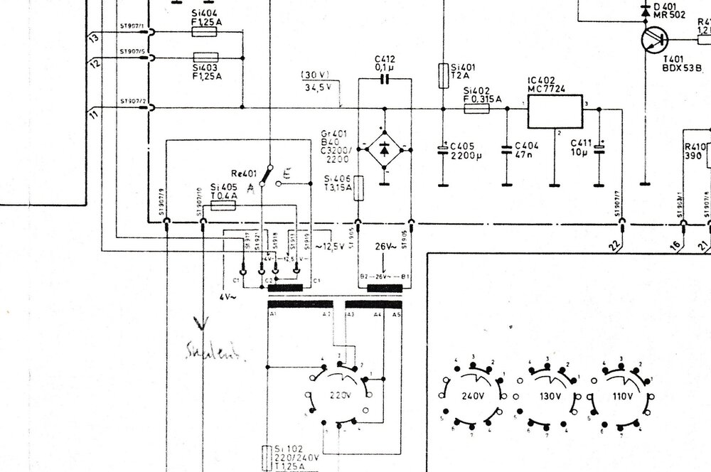
Und hier das Detail um die Sicherung Si406:

image.thumb.jpeg.0c436b7275fc2aefd8d5ffc0dbc9eb37.jpeg

 

 

 

Sicherung Si406 ist beständig herausgeflogen, auch der Austausch des direkt dahinter angeschlossenen Elkos C405 (2200µF) führte zu keiner Besserung.
Bei der sehr sorgfältigen Überprüfung des Schaltplanes stellte ich folgendes fest:
die Si406 (T3,15A) sitzt hinter dem Wechselstromausgang des Trafos mit 26V~ nominal auf der senkrechten LP über den rückwärtigen Anschlüssen, diese Spannung wird gleichgerichtet (34,5V=), es folgt der beschriebene Elko C405 (2200µF/50V).
Von da geht es über 4 weitere, z.T. deutlich kleinere Sicherungen weiter (Si401 T2A, Si402 F0,315A, Si403 F1,25A, Si404 F1,25A), diese versorgen einen 24V-Spannungsregler für den NF-Teil, die beiden Endstufen und die Motorsteuerung.
Direkt geht die Spannung ohne weitere Absicherung über die Leitung 11 (Stecker 907, Pin2) auf die Reise und zwar (laut Schaltplan) auf die große Hauptplatine, die unten der Länge nach im Gehäuse liegt. Dort liegt Leitung 11 (laut Schaltplan nur an R158 (33k) an, der an einem 22µF Kondensator eine (irgendwie unstabilisierte) Spannung von ca. 17V an der Basis von T104 und T204 (im Vorverstärkerkreis) liefert.
 

Hier der Ausschnitt (Leitung 11 in der Mitte, geht auf R158):

image.thumb.jpeg.10e69fb6d38824c00bd06cebc87eb3b2.jpeg

 

Ohne, daß der hochohmige R158 abgeraucht wäre, ist ein Kurzschluß nur noch durch mechanische Beschädigung der Isolierung denkbar. 
 

Nach Trennen aller Flachkabelstecker an der senkrechten Motorplatine hinten war der Kurschluß auf der Leitung nach unten zur Hauptplatine eingekreist.

 

image.thumb.jpeg.40e98f46c2d03098d43629eb0c1d0cd7.jpeg

 

image.thumb.jpeg.a449523e3461a19536d1e2670c56aa30.jpeg

 

Um mir dort Zugang zu verschaffen, mußte ich die Motorplatine abbauen

 

image.thumb.jpeg.a775325df639b99319a563f0c448ea90.jpeg

 

Die linke Schraube ist eine weiche, schwergängige Kreuzschlitz-Schraube. Die war dann bald rundgedreht und mußte unter Zuhilfenahme von Rostlöser und etwas meißeln gelöst werden.

 

image.thumb.jpeg.cd7b200c592674061151ace0b4f2781e.jpeg

 

image.jpeg.8ce4965b9c5a141587627b019576e662.jpeg

 

Dann den Projektor über das Rändelrad vorne ganz nach oben fahren und am besten auch noch die untere, vordere Gehäuse-Abdeckung entfernen (die Drehknöpfe gehen sehr schwer ab, aber sie gehen ab, wenn man stabile Daumennägel hat) und dann noch die LED-LP über den Drehknöpfen vorne lösen.
 

image.thumb.jpeg.494694cdfe4e525f23e41f27af625572.jpeg

 

Den Projektorkörper wollte ich nicht ganz vom Chassis trennen, das wäre vermutlich sehr viel Aufewand gewesen. Es war nicht einfach, von unten den Anlötpunkt der Leitung 11 auf der Hauptplatine zu lokalisieren (wir erinnern uns, die hatte Kurzschluß nach Masse), durch Nachverfolgung der daneben liegenden Leitung 13 (Stecker 907, Pin 1) war es aber möglich.
Und nun (Trommelwirbel), die Überraschung!

 

Dort war neben R158 auch noch ein weiteres Bauteil angeschlossen, ein weiterer Elko mit 2200µF/40V, der in keinem der im Netz verfügbaren Schaltpläne eingezeichnet ist.

Danke Braun für gar nichts.

 

image.jpeg.d21450cb6977db13c2680075869bb7bf.jpeg

 

Eigentlich ist im ganzen Schaltplan überhaupt nur der eine einzige vorhanden (C405). Vermutlich gab es irgendwann ein Update (vielleicht, um Brummen zu mindern o.ähnl.)...
Nachdem ich C-John-Doe dann einseitig getrennt hatte (wie im Bild zu sehen), war der Kurzschluß weg. Nach Austausch funktionierte der Visacustic wieder wie am ersten Tag, hurra.

 

image.jpeg.ba14e4c7457f74c167439c29ca1a9761.jpeg

 

Der Kondensator hatte interessanterweise eine geringere Spannungsfestigkeit (40V), als der oben schon mal auf der Motorplatine getauschte mit 50V, der gar nicht defekt war.

image.jpeg.aaa8f9e06061a53189cae32fbfd7fa2a.jpeg

 

Das Gerät war von mir lange Zeit mit der 220V-Einstellung betrieben worden. Die Nominalspannung von 34,5V könnte also nach der Umstellung von 220V auf 230V durchaus mit 38V nahe an dessen Spannungsfestigkeit herangekommen sein, das hat seine eh' schon überstrapazierte Lebensdauer vermutlich noch mal reduziert.

Seit 20 Jahren läuft der Visacustic, wie nahezu alle alten Geräte bei mir auf der 240V-Einstellung.

 

Zum Abschluß muß ich sagen, daß der Visacustic zwar "innerlich" recht kompakt und unzugänglich ist, man aber dennoch nach Abbau der Baugruppen recht gut an alles herankommt. Von Vorteil sind die überall kodierten Flachkabelstecker, man kann einen dieser Stecker nie verkehrtherum oder versetzt einbauen, da zeigt sich Braun's Erfahrung im Hifi-Bereich.

 

Bearbeitet von Helge (Änderungen anzeigen)
Geschrieben

Super klasse. Glückwunsch zur gelungenen OP!

Wenn du die Platine schon draußen hast, empfehle ich sehr, zumindest alle Tantal-Perlen durch entsprechend Elkos zu ersetzen. Die mögen Überspannungen noch viel weniger, leiden noch mehr drunter und altern eh ganz mies. Wenn's zu viele sind, würde ich zumindest den ESR von allen messen (das geht eingebaut) und die Ausreißer tauschen. 
 

Und ja, Schaltpläne sind praktisch, verkehrte Schaltpläne sind schlichtweg gemein. 🙂

 

und ein echt schöner Bericht obendrein!

Geschrieben

Die meisten Tantals befinden sich auf den LPs, die ich nicht ausgebaut hatte.

Deren Test und Tausch wäre dann noch mal eine eigene Aufgabe…

Geschrieben

Sag das nicht. Mit den blauen Tantals habe ich bei einem Funktionsgenerator eines bekannten amerikanischen Herstellers schon einmal böse zu kämpfen gehabt...

  • 9 Monate später...
Geschrieben

Und hier noch ein (später) Nachtrag zum Visacustic.

In Deidesheim 2024 konnte ich zwar projizieren, aber nur stumm, bzw. "Zweiband vertont" und keinen Pistenton.

Der Projektor brachte nur ein pumpendes Geräusch am Verstärkerausgang zustande, aber keinen verständlichen Ton.

Auf der Börse war Herr Rehberger zugegen, der mir nach Beschreibung des Fehlers gleich eine (spätere) Antwort zusagte, er kenne das Problem gut, müsse aber noch die Details raussuchen.

Was er auch tat, es kommt vom Kondensator C135 im NF-Teil, der vermutlich defekt und zudem auch unterdimensioniert sei. Den sollte ich tauschen und statt der originalen 220µF einen mit 1000µF einlöten.

Es fanden sich direkt auch noch ein paar weitere Fundstellen im Internet, die das gleiche Problem und eine ähnliche Lösung dokumentierten:

https://www.eevblog.com/forum/repair/repair-of-a-braun-visacustic-2000-digital-8mm-projector/

und

https://www.filmvorfuehrer.de/topic/31463-braun-visacustic-2000-digital-reparatur-nf-teil/

 

Nun sollte die Reparatur einfach sein (dachte ich).

 

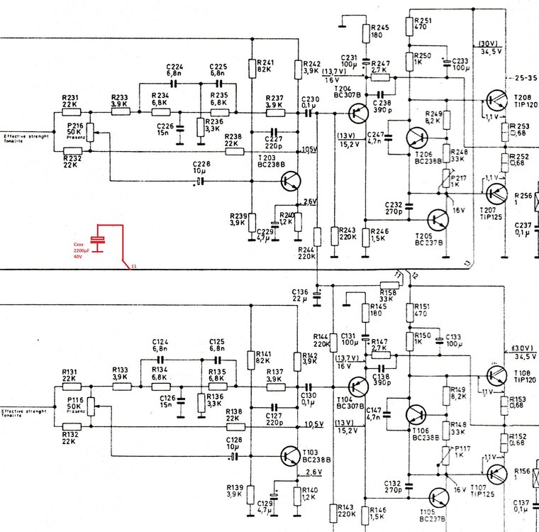
Der Kondensator ließ' sich im Schaltplan recht eínfach lokalisieren, auch an welchem Versorgungsnetz er hängt und von wo er gespeist wird.

 

image.thumb.png.933287baea0ca4d8d0aef94ca2a6baa8.png

 

Leitung 22 unten führt zur Versorgungsplatine, die ich anfangs dieses Threads schon mal angegangen hatte.

 

image.thumb.png.ea4dc46c70ca227bb73e10bcbb9e112d.png

 

C135 muß auf der NF-Platine sitzen, die sich sozusagen im Boden des Visacustic befindet, aber wo dort genau? Einen Bestückungsplan besaß ich nicht, auch kein Service Manual des Visacustic 2000.

Hier wurde ich fündig zu einem Service Manual für den Visacustic 1000:

Braun Visacustic 1000 Stereo (Projektor-Infos) - Michael's Super 8-Welt

 

Hier der direkte Link:

https://super8-welt.de/wp-content/uploads/downloads/bedienungsanleitungen/braun_visacustic_1000_sm.pdf

 

Damit hatte ich dann auch einen Bestückungsplan für den NF-Teil des Visacustic 1000, der sich glücklicherweise nur wenig von dem des Visacustic 2000 unterscheidet.

image.thumb.png.c99edeb21359cf2fc953351bcdac9b6a.png

 

Dann ging es (wieder mal ans Zerlegen). Ich überspringe alles, was ich oben schon mal dargestellt habe und gehe direkt zur NF-Leiterplatte.

 

Nachdem alle Gehäuseteile entfernt wurden (und vorsichtshalber die Versorgungsplatine hinten abgeschraubt und von allen Anschlüssen befreit war) bietet sich vorne dieses Bild:

image.thumb.jpeg.fa5f67faf43d1881f5be9c8dc4b7b531.jpeg

 

Die kleinen Schrauben an der Leiterplatte mit den LEDs (oberhalb der Tasten) hatte ich auch entfernt, ebenso alle Steckverbindungen dorthin.

image.thumb.jpeg.d7b14a70490b0d99e2820bd77d3affad.jpeg

 

image.thumb.jpeg.3e947477d5ad87552b382e81364fb77f.jpeg

 

Dieser kleine, 3-polige Stecker scheint übrigens der einzige nichtkodierte Stecker im Visacustic zu sein, hier die Polung vor dem Abziehen dokumentieren.

 

 

Geschrieben (bearbeitet)

Dann müssen noch 3 Schrauben gelöst werden, die die NF-LP mit dem Gehäuseboden verbinden:

 

image.thumb.jpeg.d3213f218147611cd4ac5529c5372d20.jpeg

 

image.thumb.jpeg.9ab3acedc39e4ae7e8892af742bc8b42.jpeg

 

image.thumb.jpeg.b7c482e9100c4e55ff580738fdead418.jpeg

 

 

 

image.thumb.jpeg.f428149b6e41ab945ae2277e38e10599.jpeg

 

Dann läßt sich der NF-Teil ein gutes Stück nach vorne aus dem Gehäuse ziehen:

 

image.thumb.jpeg.85349211bdcfaabf0319f0582966a945.jpeg

 

Aber wo ist nun C135?

Bearbeitet von Helge (Änderungen anzeigen)
  • Like 1
Geschrieben

Ich habe festgestellt, daß Braun eben die Leiterplatte kaum geändert hatte (zwischen Visacustic 1000 und 2000). Daher habe ich den Bestückungsplan gespiegelt und über ein Foto der LP gelegt:

 

image.thumb.jpeg.81318de478c2a13f9e9d6d44127416d7.jpeg

 

So konnte ich die Lötstellen identifizieren und damit den Bösewicht.

Von oben versteckt er sich ganz gut:

image.thumb.jpeg.393a314cab84befe7cef6721a6221c77.jpeg

 

Nach dem Auslöten:

 

image.thumb.jpeg.73ffcefebb63228c9bc6ba0ee5305ec5.jpeg

 

Er riecht auch nach defektem Elko!

 

Das ist der neue:

 

image.thumb.jpeg.13ef771aeb704e6a229e5318a274e657.jpeg

 

Nach Einlöten alles wieder zusammengesteckt, zusammengeschraubt und in Betrieb genommen.

 

Und der Ton spielt wieder wie er soll!

 

  • Thumsbup 1
Geschrieben

Sehr schön! So muss das sein. 

 

Falls gerade irgendjemand im Messgeräte-Kaufrausch sein sollte: Ich kann das chinesische MESR-100 (ca. 50€) empfehlen — es erlaubt, den ESR von Elkos in eingebautem Zustand zuverlässig zu messen und erleichtert somit jede Elko-Kur ganz ungemein. Tantal-Perlen ersetze ich immer, Elkos nur die mit ungutem ESR. Man erkennt dmait auch ganz prima "was bald sterben wird" und kann somit fiesen Folgeschäden gut vorbeugen...

  • Like 1
  • Thumsbup 1
Geschrieben

Und am Schluß habe ich noch die marode Visacustic Lautsprecherbox repariert

image.thumb.jpeg.15a14ed587052d72c32996f878100c80.jpeg

 

das Frontgitter ist damals mit doppelseitigem Klebeband aus Weich-PVC aufgeklebt worden. Das hat sich in den 40 Jahren bei allen meinen Visacustic Lautsprechern aufgelöst.

 

image.thumb.jpeg.16d9fc8242086b1df249986925df7d63.jpeg

 

Alles entfernt und Scotch Klebepads (doppelseitig) aufgeklebt (1mm Stärke genügt übrigens)

 

Und alles auch hier wieder gut

 

image.thumb.jpeg.56fb15b1875d95126d7343c582ce2235.jpeg 

Geschrieben

Und natürlich ist nach der Reparatur vor der Reparatur 😉

 

image.thumb.jpeg.131ef6e9d5cb7cdc01c2a90c09826327.jpeg

 

Bei meinem Braun Receiver Regie 510 waren dann anschließend noch ca. 20 Transistoren zu tauschen (schließlich sollen an Weihnachten ja Weihnachtslieder abgespielt werden können), aber das hatte dann nichts mehr mit Schmalfilm zu tun 🙂

Geschrieben

Sehr interessanter Bericht. Ich bin selbst glücklicher Besitzer und inzwischen wieder eifriger Nutzer des visacustic 2000 und hoffe dass mir derartig aufwendige Reparaturen erspart bleiben.

Frohes Fest!

Geschrieben

Eigentlich etwas OT, aber nur etwas.

Man hat Anfang der 70er Transistor-Chips auf gestanzte Träger gebondet und mit Kunststoff vergossen. Durch den Stanzvorgang hatten die Anschlußdrährte scharfe Kanten, die dann über die 50 Jahre zu Haarrissen, Feuchtigkeit dringt ein und es knackt je nach Temperatur ununterbrochen im Lautsprecher. Man tauscht am Besten alle betroffenen Typen aus. Ein bekannter Fehler vieler Geräte aus dieser Zeit.

Erstelle ein Benutzerkonto oder melde Dich an, um zu kommentieren

Du musst ein Benutzerkonto haben, um einen Kommentar verfassen zu können

Benutzerkonto erstellen

Neues Benutzerkonto für unsere Community erstellen. Es ist einfach!

Neues Benutzerkonto erstellen

Anmelden

Du hast bereits ein Benutzerkonto? Melde Dich hier an.

Jetzt anmelden
×
×
  • Neu erstellen...

Filmvorführer.de mit Werbung, externen Inhalten und Cookies nutzen

  I accept

Filmvorfuehrer.de, die Forenmitglieder und Partner nutzen eingebettete Skripte und Cookies, um die Seite optimal zu gestalten und fortlaufend zu verbessern, sowie zur Ausspielung von externen Inhalten (z.B. youtube, Vimeo, Twitter,..) und Anzeigen.

Die Verarbeitungszwecke im Einzelnen sind:

  • Informationen auf einem Gerät speichern und/oder abrufen
  • Datenübermittlung an Partner, auch n Länder ausserhalb der EU (Drittstaatentransfer)
  • Personalisierte Anzeigen und Inhalte, Anzeigen- und Inhaltsmessungen, Erkenntnisse über Zielgruppen und Produktentwicklungen
Durch das Klicken des „Zustimmen“-Buttons stimmen Sie der Verarbeitung der auf Ihrem Gerät bzw. Ihrer Endeinrichtung gespeicherten Daten wie z.B. persönlichen Identifikatoren oder IP-Adressen für diese Verarbeitungszwecke gem. § 25 Abs. 1 TTDSG sowie Art. 6 Abs. 1 lit. a DSGVO zu. Darüber hinaus willigen Sie gem. Art. 49 Abs. 1 DSGVO ein, dass auch Anbieter in den USA Ihre Daten verarbeiten. In diesem Fall ist es möglich, dass die übermittelten Daten durch lokale Behörden verarbeitet werden. Weiterführende Details finden Sie in unserer  Datenschutzerklärung, die am Ende jeder Seite verlinkt sind. Die Zustimmung kann jederzeit durch Löschen des entsprechenden Cookies widerrufen werden.