Zum Inhalt springen

Ernemann 15. Anschluss Steuerkabel von Xenonlampengleichrichter im Projektor.


Empfohlene Beiträge

Geschrieben

Hallo zusammen,

 

könnte mir bitte jemand bestätigen, dass die im Foto angeschlossenen Kabel der klemme 39+41 zum Schalten des Xenonlampengleichrichters sind?

Ich habe dazu im Netz keine Info gefunden und bevor ich was falsch anschließe brauche ich eure geschätzte Meinung zum Thema.

 

Danke und Gruß. 

 

Udo

WhatsApp Image 2025-10-06 at 16.36.59.jpeg

WhatsApp Image 2025-10-06 at 16.36.59 (1).jpeg

Geschrieben

Niemand wird dir sicher(!) bestätigen können, wie deine Maschine verkabelt ist. Es ist gut denkbar, dass sie einem üblichen Schema entspricht; häufig wurden die Maschinen aber nach Wünschen des Bestellers konfiguriert. Bei Ernemann vermutlich weniger als bei Kinoton, aber auch dort. Und nicht zuletzt kann an der Maschine seit Auslieferung viel geändert worden sein, was im Kinoumfeld auch gang und gäbe war.

 

Was ich sagen will: Wenn du nichts riskieren willst, wirst du nicht drum herumkommen, systematisch zu prüfen, was auf welcher Klemme liegt.

Geschrieben

Hallo Fabian.

Danke für deine Antwort.

Dachte eigentlich, dass jemand ein Schaltbild oder was vergleichbares hat wo man erkennen kann, was da angeschlossen war. 

 

Gruß Udo

Geschrieben

Es wird doch bestimmt jemanden bei dir in der Gegend geben, der da ein wenig durchblickt und dir unter die Arme greifen kann. Vermutlich sogar hier im Forum. 

Geschrieben

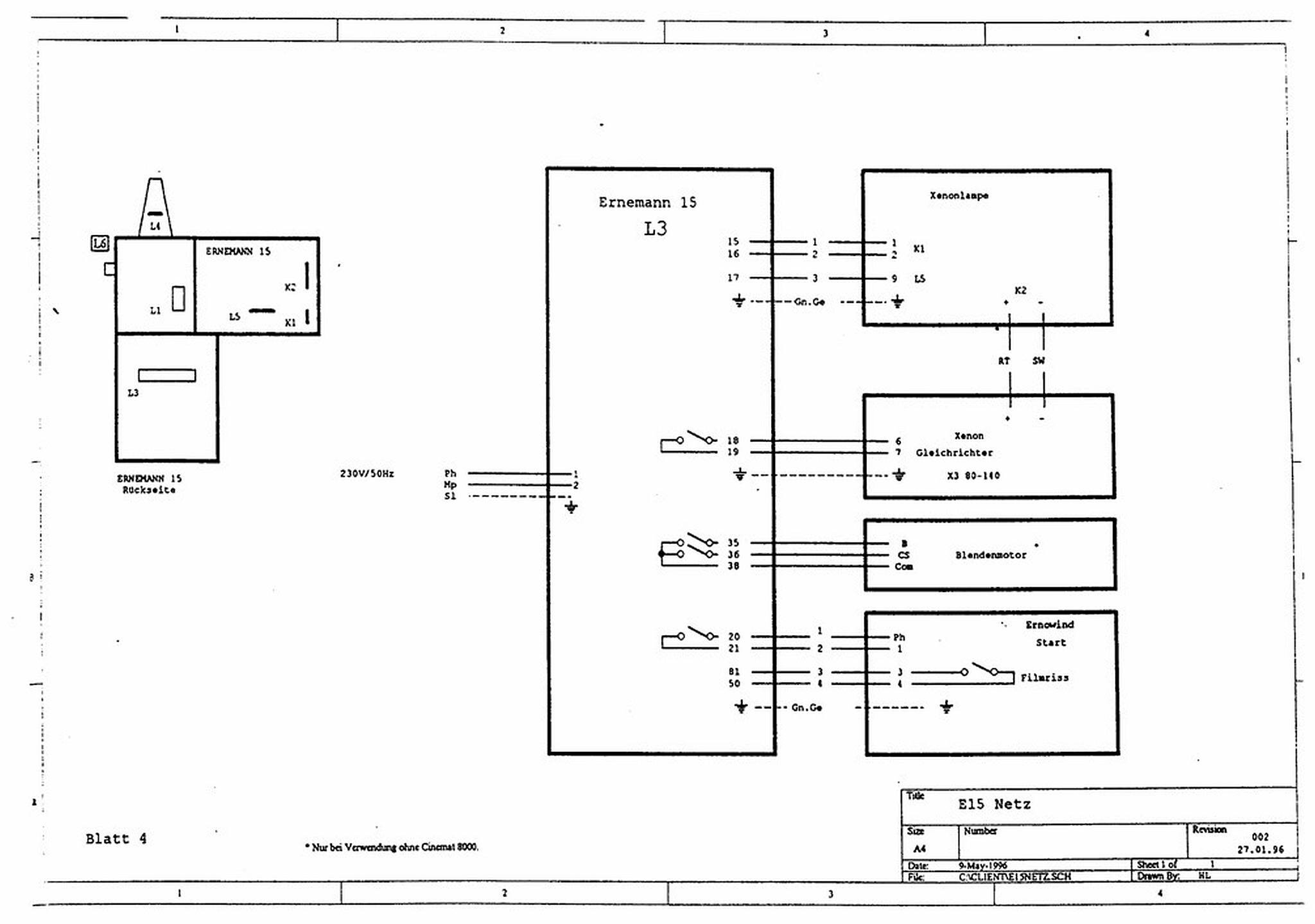
Bei meiner E15 ist die gesamte Hutschiene nicht vorhanden. Lediglich eine Klemme für die Spannungsversorgung, 

Alle Anschlüsse gehen direkt auf die Platine mit den Phoenix-Steckern. Der Gleichrichter wird über L19, Pin 1&2 geschaltet. Möglicherweise gab es verschiedene Versionen.

Geschrieben
vor 3 Stunden schrieb Thomas:

Bei meiner E15 ist die gesamte Hutschiene nicht vorhanden. Lediglich eine Klemme für die Spannungsversorgung, 

Alle Anschlüsse gehen direkt auf die Platine mit den Phoenix-Steckern. Der Gleichrichter wird über L19, Pin 1&2 geschaltet. Möglicherweise gab es verschiedene Versionen.


Das ist die neuere Version. Ich hatte auch mal so eine wie vom Fragesteller, Baujahr 95/96.

Ich finde meine Pläne leider gerade nicht mehr, der netter @PeterG hatte sie mir damals geschickt. Vielleicht liest er das hier ja...


LG

Sascha

Geschrieben

Hallo...  ich spring mal auf das E 15  Thema auf ... ich hab eine Digital Version und bei der hab ich folgendes Problem  :  nach dem

Start schaltet die Maschine immer wieder ab ..... nach mehrmaligen Starten will sie dann doch irgendwann  ... hat jemand eine

Lösung für mich...  Gruß Johann  ach ja meinen Gleichrichter starte ich Manuel ...  aber ich denke man kann das rausmessen  ..

wird vermutlich ein potentialfreier schaltkontakt sein ....

  • Thumsbup 1
Geschrieben

Hallo Freunde. Sorry. Ich hatte noch keine Möglichkeit zu Antworten.

@ Fabian. Ja. Ich hab jemanden der mir immer helfen kann und auch immer für mich und meine Aktionen da ist. Leider wohnt er etwas weiter weg. Von da her versuche ich in erster Linie selber, soweit möglich, meine Sachen zu klären.

@ stefan2. Das Schaltbild von dir ist das von den neueren Maschinen. 

@ Sascha. Eventuell könntest du bei PeterG nochmal fragen wegen der Schaltpläne. Dann sehen wir bestimmt heller zusammen.....😁

@ flimmerfan. Den Gleichrichter manuell schalten geht natürlich immer. 

@All. Danke für eure Unterstützung.

 

 

LG Udo

 

 

WhatsApp Image 2025-10-07 at 17.38.00 (1).jpeg

WhatsApp Image 2025-10-07 at 17.38.00 (2).jpeg

WhatsApp Image 2025-10-07 at 17.38.00.jpeg

Geschrieben
vor 1 Stunde schrieb flimmerfan:

Hallo...  ich spring mal auf das E 15  Thema auf ... ich hab eine Digital Version und bei der hab ich folgendes Problem  :  nach dem

Start schaltet die Maschine immer wieder ab ..... nach mehrmaligen Starten will sie dann doch irgendwann  ... hat jemand eine

Lösung für mich...  Gruß Johann  ach ja meinen Gleichrichter starte ich Manuel ...  aber ich denke man kann das rausmessen  ..

wird vermutlich ein potentialfreier schaltkontakt sein ....

Das Thema kenne ich. Hatte mein Bruder mal. Da lag es an einer Steckkarte der E15. Er hat das damals bei Ernemann in Kiel reparieren lassen soweit ich das noch weis. Kann auch passieren, das Gleichlaufschwankungen auftreten.

 

Gruß Udo

Geschrieben

Hallo Centurio,

das Schaltbild, das Stefan oben eingestellt hat, ist schon das Richtige für die E15.

Es gab aber auch noch "modernisierte" E12 (Steuerung der E 15, kein Graphitöl). Dazu habe ich aber auch keine Unterlagen.

Und die Unsitte, die Klemmenbelegung zuändern, gabs bei Ernemann nicht.

Es kann natürich sein, daß der damalige Monteur da was geändert hat...

Ansonsten, ausprobieren. Durchgangsprüfer dran und Maschine starten/ Lampe an. 

 

Grüße

Peter

Erstelle ein Benutzerkonto oder melde Dich an, um zu kommentieren

Du musst ein Benutzerkonto haben, um einen Kommentar verfassen zu können

Benutzerkonto erstellen

Neues Benutzerkonto für unsere Community erstellen. Es ist einfach!

Neues Benutzerkonto erstellen

Anmelden

Du hast bereits ein Benutzerkonto? Melde Dich hier an.

Jetzt anmelden
×
×
  • Neu erstellen...

Filmvorführer.de mit Werbung, externen Inhalten und Cookies nutzen

  I accept

Filmvorfuehrer.de, die Forenmitglieder und Partner nutzen eingebettete Skripte und Cookies, um die Seite optimal zu gestalten und fortlaufend zu verbessern, sowie zur Ausspielung von externen Inhalten (z.B. youtube, Vimeo, Twitter,..) und Anzeigen.

Die Verarbeitungszwecke im Einzelnen sind:

  • Informationen auf einem Gerät speichern und/oder abrufen
  • Datenübermittlung an Partner, auch n Länder ausserhalb der EU (Drittstaatentransfer)
  • Personalisierte Anzeigen und Inhalte, Anzeigen- und Inhaltsmessungen, Erkenntnisse über Zielgruppen und Produktentwicklungen
Durch das Klicken des „Zustimmen“-Buttons stimmen Sie der Verarbeitung der auf Ihrem Gerät bzw. Ihrer Endeinrichtung gespeicherten Daten wie z.B. persönlichen Identifikatoren oder IP-Adressen für diese Verarbeitungszwecke gem. § 25 Abs. 1 TTDSG sowie Art. 6 Abs. 1 lit. a DSGVO zu. Darüber hinaus willigen Sie gem. Art. 49 Abs. 1 DSGVO ein, dass auch Anbieter in den USA Ihre Daten verarbeiten. In diesem Fall ist es möglich, dass die übermittelten Daten durch lokale Behörden verarbeitet werden. Weiterführende Details finden Sie in unserer  Datenschutzerklärung, die am Ende jeder Seite verlinkt sind. Die Zustimmung kann jederzeit durch Löschen des entsprechenden Cookies widerrufen werden.