-
Gesamte Inhalte
140 -
Benutzer seit
-
Letzter Besuch
Inhaltstyp
Profile
Forum
Galerie
Alle erstellten Inhalte von dresden d1
-
Großer Kondensator parallel am Netzteilausgang kann auch schädlich sein. Dieser sollte in Reihe mit einem niederohmigen Widerstand ca. 1Ohm geschaltet werden. Die initiale Ionisierung des Xenon erfolgt durch das Hochspannungs-Zündgerät und die Energie des auf Leerlaufspannung vorgeladene Kondesators vergrößert den Plasmakanal. Ohne Vorwiderstand fließt dabei ein zu hoher Strom durch den Brenner, das schädigt ihn langfristig. http://www.kinograph.de/Xenonlampen/123W97DE_Broschüre_XBO.pdf ab S.16 Die Zündprobleme des Inverters können auch daher kommen, dass die Regelung des Interters mit dem großen Kondensator nicht klarkommt, da die Zeitkonstanten im Regelkreis sich dadurch ganz schön ändern
-
Das sollte eine stinknormale Feinsicherung 5x20mm sein. Für die Tonlampe reicht eine aus Glas, da muss es keine sandgefüllte Keramiksicherung sein. Die normalen Feinsicherungen sind i.d.R. für 250V ausgelegt, was für diese Anwendung dicke reicht.
-
Folgende Aussage kann ich nicht belegen und habe es auch selbst noch nie gesehen, aber ich meine mal gehört zu haben, dass es ganz in der Anfangsentwicklung des Reverse-Scan Tongeräts von Kinoton zunächst eine Ausführung mit IR-LEDs gab, da es noch keine roten LED´s in ausreichender Helligkeit gab. Diese IR-LED´s waren wohl auch als Array aufgebaut wie die Roten. Aber wie gesagt, das meine ich mal wo aufgeschnappt zu haben und kann ies nicht belegen. Ich lasse mich da auch gern eines Besseren belehren.
-
Mir ist 2015 auch ein THX D1138 zugelaufen. Ich hab mich über mehrere Ecken zu einem Techniker von THX vorgetastet, von welchem ich folgende E-Mail bekam: Dear Hannes, I am attaching everything we have for the D1138. It is not much, but it is the extent of our documentation and software. As you may know, the D1138 has not been manufactured for over 12 years. Due to its age, we no longer have spare parts or any technical staff with knowledge of the unit. This means we do not have the capability to repair D1138s or to provide technical support beyond the information attached. I have included the following information we do have in the attached zipped folder: the D1138 software, the D1138 user manual, and the "user" information text file. The user221.exe file can be extracted directly to the desktop of your computer. Double click the user executable file to launch the application. You will need a standard RS232 serial cable to connect to the crossover. If you are connecting to a D1138 with an older version of the DSP, the software may not recognize the crossover as an "initalized" device. If this occurs, after the "unrecognized" prompt is displayed, press the function 4 key (f4) to initalize the crossover. Follow the instructions on the screen for the initalization process. The manual includes programming instructions if you need additional information. The user text file includes the list of speakers that the "type" number represents. Please note there may or may not be a crossover for the speaker system you are using. The main crossover paramaters are fixed: crossover frequency, Q, and slope. The user can change the delay for individual transducers or for entire channels. Also there are parametric filters available to the user for fine tuning the system. As I mentioned, we do not have the capability to repair D1138s or to provide technical support beyond the information attached. I hope you find this information useful. Kind regards, Jerry Im Angang die Dateien, welche ich dazu erhalten habe. Falls jemand natürlich noch mehr Infos auftreiben kann, dann wäre das sicher sehr interssant. Wie Stefan bereits ausgeführt hat, gibt das Teil einen styischen Monitor, als aktiven Crossover würde ich es aber heute nicht mehr einsetzen wollen. D1138 software and manual.zip
-
So schreibt es zumindest der Verfasser des Beitrags. Die Prismen, welche er verwendet, sind eigentlich irgendwelche Deko-Trophäen, die halt zufällig prismenförmig sind. Zur Glasart wird nichts gesagt (die kann aber für den Brechungsindex wichtig sein), auch nicht zur Oberflächengüte und -Beschichtung.. Das lenkt natürlich das Licht irgendwie ab und führt auch zur gewünschten Entzerrung; aber mit Hinsicht auf die chromatische Abberation müsste man Glück haben das das passt. Die Prismen im Shop sind aus optischem Glas mit Antireflexbeschichtung und haben beide verschieden Formen. Laut Aussage in der Artikelbeschreibung sind die genau für eine solche Anwendung konzipiert werden. Müsste sich mal jemand opfern der das probiert...
-
Der Autor in dem verlikten Artikel hat "Prismen" verwendet, die für diese Anwendung nie vorgesehen waren. Bei dem verlinkten Prismenset könnte man hoffen, dass es optisch berechnet wurde. Dadurch würde ich mit deutlich weniger chromatischer Abberation rechnen.
-
Lass das mit den KFZ-Kabeln. Das TK35-Netzteil hat einen Spartrafo, d.h. auf dem Kabel ist Netzpotential. Schau mal bei Lapp, die haben fast alles. Für dich könnte das Ölflex Classic 110 7G1,5 passen.
-
Hallo beim Dolby CP500 hat man die Möglichkeit, sich mehrere User formats selbst zu konfigurieren. Dabei gibt es viele Optionen und Einstellmöglichkeiten, jedoch geht die normale Installationsanleitung darauf nicht ein. Gibt es ein Manual oder irgendein Dokument, wo der Custom Format Builder genauer beschrieben wird? Gruß Hannes
-
Standardmäßig gab es bei Kinoton keine Nachlaufrelais (soweit ich weiß zumindest). Entweder laufen die Lüfter immer, hängen also an 20 und 60, oder werden durch den Thermoschalter am Block eingeschaltet. Nachlaufrelais kostet nicht viel Geld und kann einfach nachgerüstet werden.
-
Danke aber ich meine das alte Kombitongerät aka Höckerschwan.
-
Hat jemand Unterlagen zu dem Kinoton DA Kombitongerät? Muss es ja mal gegeben haben...
-
Hallo Ich habe inzwischen einige Kinoton-Tongeräte in meinem Fundus, mit denen ich etwas experimentieren möchte: -altes Phillips-Tongerät mit Weißlicht -"Höckerschwan"-Tongerät mit Lichtleiter für SRD und Analogteil umverpfuscht auf Ernemann-LASER -Reverse-Scan Rotlicht-LED "V1" -Reverse-Scan Rotlicht-LED "V2" mit den lichtstärkeren Optiken und niegrigerem LED-Strom (seit 2003 oder so...) Dazu würde ich gerne einmal Erfahrungen zu den Tongeräten einholen: Mit welchem Tongerät ist die qualitativ beste Lichtton-Wiedergabe zu erreichen (Cyan und/oder Silber-Tonspur)? Welches Tongerät kann SRD am besten lesen? Meine Motivation: Ich habe ein neueres Reverse-Scan mit den lichtstärkeren Optiken verbaut und bin mit der Wiedergabe von SRD und Cyan-Lichtton im Grunde recht zufrieden (bis auf den mäßigen Gleichlauf des Tongerätes trotz langem Einstellens). Alte Tonspuren mit Silber klingen jedoch teils sehr verrauscht, was ich vor allem auf die Abtastung mit rotem Licht zurückführe. Hat vllt auch schon mal jemand in Richtung Weißlichtumbau des Reverse-Scan experiementiert, wie es z.B Ronald Rosbeek gemacht hat? Für alle Erfahrungen und Hinweise bin ich dankbar Hannes
-
Beim großen Saal wurde der Balkon abgetrennt und ein separater Saal draus gemacht. Im Keller ist ein kleiner Saal mit <50 Plätzen und dann noch zwei Schuhkartons daneben. Ich weiß allerdings nicht genau wann die dazu gekommen sind. Das Tonsystem heißt IOSONO
-
Das mit den Tech-Notes wäre wirklich interessant. Gibts die inzwischen irgendwo?
-
Zu Kinoton: Die D-Maschinen haben bis auf den Frequenzumrichter und die Steuerplatinen für den Revolver keine Elektronik verbaut, das lief bis zum Schluss über einfache Relais. Die kann also jederzeit mit anderen Teilen repariert werden. Bei der E-Serie ist das anders, da bin ich eher fertig mit Aufzählen was nicht elektronisch ist. Fehlersuche ist dann teils schwierig und auf den Platinen selbst kann man nur weniges reparieren. Also nur an Spinner und Liebhaber zu empfehlen. Zu Meo 5 zumindest meine sind recht laut im Lauf, die Kreuze hatten eine hohe Streuung, manche neue wackeln schon und manche gebrauchten stehen noch wie angenagelt. Ersatzteiltechnisch kein Problem, die liegen bei vielen noch haufenweise rum, und eine Meo mehr zum Ausschlachten findet sich auch schnell. Bei guter Wartung auch sehr filmschonend. sehr lichtstark, allerdings sind fast alle Horizontal-Spiegel leicht gelb! Ist auch bedingt austomatisierbar aber mit etwas Aufwand verbunden. viel verkehrt machen kannst du mit Meo5 und FP30 nicht, wenn du nicht eine runtergeranzte erwischst.
-
Möglichkeiten eine DTS-CD mit herkömlichem PC ab zu spielen?
dresden d1 antwortete auf CENTURIO's Thema in Allgemeines Board
Möglich wäre auch ein Netzteil, in dem die Elkos langsam schlappmachen, da kann es dann durchaus auch zu Fehlern oder Aussetzern kommen. Die 386er und 486 Boards die ich kenne haben keine DC-DC Wandler drauf, passiert alles im Netzteil. Es empfielt sich generell, da mal einen Blick rein zu werfen, denn das Teil stirbt nimmt es evtl. das Mainboard mit. -
Genauer gesagt kann man durch dein SELECT-Taster bei den Zweifach-Revolvern die Zuornung Maske zu Objektiv ändern. Also zB. BW drücken, 1,85 Optik und Maske 1,85 werden eingestellt. Select so lange drücken bis der Haltemagnet kurz klackt, dann wird zB bei BW Optik 1,85 und ungefeilte dritte Maske angefahren. Gibt 3 Kombinationen, dann wieder von vorne.
-
Problem scheint gelöst. Die lichttonplatine mit Tubus War 0.8mm zu weit weg von der Filmebene. Sollen ja 7.88mm sein und ich hatte nen Zahlendreher beim einstellen. Jetzt klingt der Ton besser. Spaltentzerrung hab ich mit cat 69p am cp650 automatisch einstellen lassen.
-
@KN17: symmetrisches Signal über 2 separate Mikrofon kabel. @ Itter: ja Pegel mit Cat69T eingestellt @ GloriaKC: Kabel sind richtig angeschlossen. Auch mit nem anderen Kabel klingt es so. Bei falschem Anschluss wären die Störungen eher Brummen.
-
Hallo ich habe mit der Lichttonwiedergabe meines CP650 Probleme. Der Ton klingt leicht verrauscht und kratzig, etwa wie übersteuert. Vor allem leise Sprache ist schwer verständlich. Ohne Film oder in leisen Szenen ist davon jedoch nichts zu hören. Folgender Aufbau: Kinoton FP30E Bj 2000, dann ca 6m Mikrofonkabel zweiadrig geschirmt (Schirm des Mikrofonkabels ist Tonmasse) mit extra Schirmung auf Erde (einseitig am Tonrack), in den CP650 Dahinter kann der Fehler nicht liegen, SR*D wird ohne Störung wiedergegeben. Das habe ich alles schon probiert: CP650 getauscht, Lichtton über DFP3000 gespielt, Reverse-Scan komplett justiert, insg. 3 Lichttonplatinen probiert, Netzteil Reverse-Scan getauscht, am CP650 alle Einstellungen auf Werk zurück und dann aufs Tongerät eingestellt, Miktofonkabel ab von der Klemmleiste im Projektor und ein kürzeres Kabel direkt zum CP650, mehrere Filme/Trailer mit Polyester/Acetat und Cyan/Weißlicht-Tonspur. Das hat alles nichts gebracht. Die Störung war immernoch so da. Kleines Video davon, mit dem Handy nahe am Lautsprecher aufgenommen, die Störung ist sehr gut zu hören: Ich hoffe, das mir jemand helfen kann, ich bin mir meinem Latein am Ende. Hannes
-
Ich kenne nur den turret Wizard. Es gibt eine kleine Platine die man vorne an die Sensor Platine mit den Lichtschranken ansteckt an das Flachkabel. Eine Version hat nur LEDs . Die andere einen Käfer drauf für eine serielle Schnittstelle. Beide lesen nur die analogen Signale der Lichtschranken aus und zeigen Sie über LEDs an oder halt am PC. Man kann also den Revolver laut Anleitung mit der Platine und den LEDs und einem multimeter einstellen oder den Schritten des Programms folgen das einem auch die Spannungswerte anzeigt. Man stellt also in beiden Fällen nur die Potis ein und bewegt die kodierplatten falls nötig. Der EPROM selbst ist ab Werk initialisiert. Zum überschreiben braucht man einen separaten Käfer. Dies sollte aber nicht nötig sein. Umstellung von zwei auf dreifach Revolver erfordert eh eine umprogrammieren des microcontrollers. Also zusammengefasst wenn nicht der EPROM oder der Microcontroller kaputt sind reicht zum einstellen des Revolvers mit Lichtschranken die Anleitung dazu und ein multimeter.
-
Falls da Unterlagen oder Schaltpläne vorhanden sind, die suche ich auch.
-
Suchst du sowas? IR-Einsteckeinheit.pdf
-
Genau. Das ist einfach ein Kolben, der durch den Luftdruck bewegt wird und über eine Mechanik den Quecksilberschalter betätigt. Da nur für Nitrofilm wirklich wichtig, wurden die meist gebrückt. Der Luftzwangschalter ist Nr 27.
-
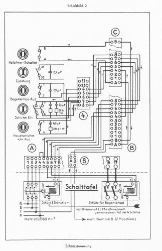
Bei einer unverbastelten Dresden ist das folgendermaßen: Von einer Phase aus geht es zuerst zum Protektorschalter (hinterstes Quecksilberschweinchen im Kopf). Dieser schließt den Stromkreis, sobald der Überblendschalter nach rechts gedreht wurde wird nur abgeschaltet, wenn der Bügel neben der Vorwickelrolle hochgedrückt wird, nicht beim Überblenden! Dannach zum Motorausschalter, der hinten an der Anlasserwelle sitzt, das ist ein Öffner, d.h. im ungedrückten Zustand leitet er. Von da aus weiter zum Luftzwangschalter. Entweder ist dieser mechanisch betätigt wie beschrieben oder 22 und 25 wurden schon verbunden. Von da weiter zum eigentlichen Magneten. Dieser hat 3 Wicklungen: "Eingang", 220V und 380V, je nachdem welches Netz man hatte, konnte man so die Spannung wählen. Wie es allgemein gemacht wurde, weiß ich nicht, bei meinen war die 230V Leitung am Nullleiter angeklemmt, alternativ würde sonst die 380V Wicklung an einer anderen Phase hängen. Also zur Fehlersuche die Klemmen der beiden Quecksilberschalter finden und auf Durchgang prüfen, so auch beim Motorschalter, wenn die Spannung bis zur Spule kommt (einfach mit Elektrikerschraubenzieher dranhalten), diese aber nicht anzieht, dann ist der Stromkreis nach der Spule unterbrochen, kann dann ja nicht viel sein. Am besten noch prüfen, ob alle im Schaltplan dafür zuständigen Kabel durchgang haben, kann ja sein das da jmd was gebastelt hat. @cafekino: Der Abbrandschalter hängt nicht in diesem Steuerkreis! Dieser hängt über die Klemmen 10 und 11 in Reihe zur zweiten Maschine und zu den Fallklappen, die über Nienderspannung geschatet werden. Zwar habe ich den Schalter selbst noch nicht zerlegt, würde ihm aber vermutlich keine 230V zumiten wollen. Gruß und schönes Wochenende Hannes
