Zum Inhalt springen

Empfohlene Beiträge

  • 2 Wochen später...
Geschrieben
vor einer Stunde schrieb Filmtechniker:

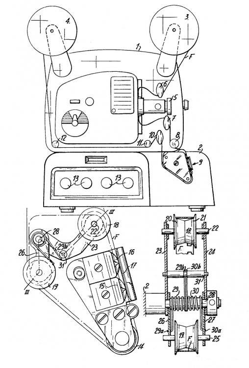
Patentzeichnungen von 1960, Paillard & Cie hatte das COMMAG-System meines Wissens nicht herausgebracht.

Man beachte, daß es keine Schwungmasse gibt.

 

1099418984_COMMAG-SystemmitProjektor18-5.thumb.jpg.68ac1e8dd33032a0cdb8a0a37fd638ee.jpg

Es ist wirklich die Frage, wie wesentlich die Schwungmasse bei so kleiner Bewgungsenergie ist. 

Geschrieben

Nachtrag

 

Galater; Italien, 1954 (?), COMMAG-Projektor

CIRSE Cometson; Italien, 1957 (?), COMMAG-Projektor

Microsonor 8; Siena, Italien, 195?, COMMAG-Projektor

 

https://www.freeforumzone.com/discussione.aspx?idd=11224862

https://www.freeforumzone.com/discussione.aspx?idd=11043780

  • 3 Wochen später...
Geschrieben (bearbeitet)

Normal-8-Film vertonen, was gab und gibt es um die Kamera?

 

Zuerst die Armeleutelösung, ich bin ja selbst ein armer Leut: Zweikanal-Tonbandgerät, zwei Mikrofone. Ein billiges bindet oder klebt man an die Filmkamera, um ihr Laufgeräusch aufzunehmen, das Gute ist für den Nutzton. Später kann man die Aufnahmen auf dem Bandrücken markieren. Filzschreiber. Diese Technik setzt relativ gut gleichmäßigen Lauf der Kamera voraus, sprich: elektromotorischer Antrieb. Es gibt aber ein paar 8-mm-Kameras mit Umlagerungsfeder, die erstaunlich gut Tempo halten und das auch noch brauchbar lange. Der Kodak Brownie 8 mit Aufzugkurbel ist so ein Modell, es leistet 35 Sekunden. Dann sind zu nennen die Nizo FA 3, sie läuft 75 Sekunden lang, und allen voran die Agfa-Movex Reflex mit über zwei Minuten ununterbrochenem Lauf bei Tempo 16.

Tonbandgeräte mit offenem Band auf Spulen gibt es in jeder Preislage bis hinauf zu den professionellen Nagra, Stellavox oder Sony. Persönlicher Geschmack, der Anspruch an die Tongüte und das Portefeuille wollen miteinander in Einklang gebracht werden. Ich würde hiezu nur festhalten, daß die Bandgeschwindigkeiten 3¾ und 7½ Zoll oder 9,525 bzw. 19,05 cm/s dabei sein sollten. Diese entsprechen exakt der Bildfrequenz 25 beim Normal-8- respektive beim 16-mm-Film (3,81 mm Bildschritt des Normal-8-Films × 25 = 9,525 cm). Magnettonband ist preisgünstig und leicht zu schneiden und zu montieren. Es sind keine Computerkenntnisse und -programme erforderlich. Jaja, lacht mich nur aus.

Wer etwas mehr Geld investieren kann und mag, die oder der fährt am besten mit Quarzsteuerungen. Eine für den Kameramotor, eine für den des analogen Tonaufzeichnunggerätes. Wer sich für digitale Tonaufnahme entschieden hat, profitiert natürlich von den enormen Vorteilen dieser Technik, sei es mit DAT-Rekorder, sei es ganz ohne bewegte Teile mit Flash-Memory-Gerät. So hebt man das Ganze auf professionelle Stufe. Eine Paillard-Bolex H-8 mit dem gequarzten ESM erlaubt ununterbrochene Belichtung von bis zu 8000 Bildern. Das sind bei Tempo 25 satte fünf Minuten und zwanzig Sekunden.

Am meisten Vergnügen und Freude machen mir persönlich die unmöglichen, wilden Aufnahmen. Es gibt nämlich immer einen Ausweg, auch bei Material, wo das Bild mit 18 und der Ton mit 25 Lochabständen in der Sekunde aufgenommen worden sind. Ich muß kreativ werden. Man beginnt, der Lage mit geschicktem Schnitt Herr zu werden. Der Film gewinnt dadurch nur.

Echte Nostalgiker probieren das Eumig T 5 aus. Hier einige Anblicke von Gerät und Bandkassette. Die Bandlänge erlaubt zehn Minuten Aufnahme, Geschwindigkeit 9,525 cm/s. Der Eumig P 8 ist mechanisch und optisch einer der besten Projektoren für Normal-8-Film. Schneller als mit 20 B./s läuft er aber nicht.

 

 

1119861645_EumigT5b.thumb.jpg.10354b8e1751bf3c7a376974cf7f7f72.jpg917731398_EumigT5f.jpg.ce4bd131373d10598732f7b72af5034b.jpg1108610444_EumigT5g.jpg.304857ff33ad99a026d7d3181abefb50.jpg601166116_EumigT5a.thumb.jpg.85052d3fff3e95f6f42da4c7e12f02fa.jpg

 

Auf die Frage, mit welchen 8er Kameras man brauchbare Interviewaufnahmen machen kann, weil sie ruhig laufen, kann ich spontan folgende Modelle nennen: frisch und korrekt geschmierte Paillard-Bolex B/C/D 8; K und P, Eumig C 3 in gutem Zustand und frisch geschmiert, Canon 8 E/EE/EEE

 

Bearbeitet von Filmtechniker (Änderungen anzeigen)
Geschrieben (bearbeitet)

Nachträge zur Wiedergabeseite, Projektoren und Synchrongeräte:

 

766570163_Ebifon1953.jpg.e51179d5574b30dcf169e26adaceb61e.jpg       1043232271_Synchrofon8mitAgfa-Movektor81954.jpg.e585077e07d704a2cfc6cc94d26a267b.jpg

 

95906103_AusAmateurTapeRecordingJuni1962.jpg.15962f1bd85ad710444d9db7534ebcc3.jpg

 

62948355_MoviolaSynchronizersSoundAdaptations.jpg.3158ac24b0bf0e09728b3ad9d7a87142.jpg

 

1230096527_Projectola-MagniolaJSMPTEFebruar1971.thumb.jpg.6ef1c0e5bbd29662ddc1d2f39acfd3f3.jpg

 

Projectola? Hier wurden der HKS-Bildbetrachter und ein Moviola-Synchronroller von Magna-Tech zusammengestellt.

 

Auf Synchronrollern für 16-mm-Film unterlegt man weißen Zugfilm oder Blankfilm, sofern man nicht eine teilende Führung einbaut. 8-mm-Magnetfilm können Wittner und Kahl prinzipiell liefern.

Bearbeitet von Filmtechniker (Änderungen anzeigen)
Geschrieben

Für die COMMAGerInnen: Dieser Herr bepistet 16-mm- und Super-8-Film mit Magnetpaste.

Die Tonqualität soll sehr gut sein. Korrespondenz auf Italienisch und Englisch

 

Alberto Vangelisti, MOVIE MAGNETIC
Via Don Milani 43
52028 TERRANUOVA BRACCIOLINI (AR)
ITALIA
moviemagnetic@gmail.com
 

Geschrieben

Beim Paillard ist sehr wohl eine Schwungmasse verbaut, siehe Rolle Nr 14 in der Zeichnung, der Schnitt darüber zeigt nur die Ausleichsrollen mit Federspannung (Zeichnungen muss man auch Lesen können)

Die Bilder der Synchronizer sind aus dem Kontext gerissen und haben mit N8 nichts zu tun, da sie im Kopierwerk genutzt wurden, meist um Lichttonnegativ ans Bildnegativ anzulegen für eventuelle "Spätkorrekturen"

Geschrieben

Projektorseitig ist der Eumig Phonomat 8 vergessen gegangen, vorgestellt auf der Photokina 1956. Zusatzgerät, mit dem aus einem gewöhnlichen P 8 ein Phonomatic wird

https://eumig.at/index.php?option=com_content&view=article&id=10:die-zeit-der-hochbluete-1951-1979b10&catid=22:geschichteS3&Itemid=138

Man kann nicht genug betonen, was der P 8 mechanisch für ein überragendes Gerät ist. Es wurden insgesamt 1,3 Millionen P 8 verkauft!

  • 1 Monat später...
Geschrieben

Ich habe den Eumig P 8  Imperial und das Bandgerät T 5 von Eumig, sowie eine Eumig C 5, die ich aber leider nicht einsetzen kann, weil der Belichtungsmesser kaputt ist und es keine manuelle Blendeneinstellung für die Kamera gibt. Kann man mit der Konfiguration ausser der Eumig C 5 oder C 6 auch eine andere Kamera verwenden ?

Geschrieben
vor 2 Stunden schrieb Carena48:

Ich habe den Eumig P 8  Imperial und das Bandgerät T 5 von Eumig, sowie eine Eumig C 5, die ich aber leider nicht einsetzen kann, weil der Belichtungsmesser kaputt ist und es keine manuelle Blendeneinstellung für die Kamera gibt. Kann man mit der Konfiguration ausser der Eumig C 5 oder C 6 auch eine andere Kamera verwenden ?

 

Wenn es dir nichts ausmacht, die C 5 zu öffnen, kannst du herausfinden, wie die Sache funktioniert. Ich vermute ja, daß es in der Kamera nichts weiter gibt als einen Schalter oder Kontakt, der beim Auslösen einen Stromkreis vom T 5 schließt, wodurch dieses Gerät anläuft. Wenn dem so ist, kannst du jede Kamera benutzen, der du entweder einen Kontakt verpaßt oder einfach jeweils beim Auslösen das T 5 mit einem Handschalter mit anwirfst.

Geschrieben (bearbeitet)
vor 31 Minuten schrieb Filmtechniker:

Wenn dem so ist, kannst du jede Kamera benutzen, der du entweder einen Kontakt verpaßt

Aha, dankschön (oder merci vielmols ? ! Dann müsste auch z.B. mit der Bauer 88B was zu machen sein? Und es stimmt, der Eumig P8 ist wirklich ein hochwertiger Projektor.

Bearbeitet von Carena48 (Änderungen anzeigen)
Geschrieben
Am 9.12.2018 um 13:01 schrieb TK-Chris:

Beim Paillard ist sehr wohl eine Schwungmasse verbaut, siehe Rolle Nr 14 in der Zeichnung, der Schnitt darüber zeigt nur die Ausleichsrollen mit Federspannung (Zeichnungen muss man auch Lesen können)

 

Die Bilder der Synchronizer sind aus dem Kontext gerissen und haben mit N8 nichts zu tun, da sie im Kopierwerk genutzt wurden, meist um Lichttonnegativ ans Bildnegativ anzulegen für eventuelle "Spätkorrekturen"

 

Zeichnungen muß man richtig lesen, da hast du völlig Recht. Aus der mittigen Lage der umschlungenen Rolle abgeleitet, ist sie mit einem Schwungrad im Gerät verbunden.

 

Wie gesagt: Auf Synchronrollern für 16-mm-Film unterlegt man weißen Zugfilm oder Blankfilm, sofern man nicht eine teilende Führung einbaut. So kann man 8-mm-Magnetfilm auflegen.

Geschrieben

Moin,

wundere mich ein wenig, das hier noch keiner das vom BDFA in den 60er Jahren des vorigen Jahrhundert verordnete ETS zum besten gegeben hat. Das System quälte die von Volland umgebauten Projektoren ganz schön. Ich habe etliche Filme nach diesem System im Filmclub vorgeführt.

Ja so war es einmal!

Uwe Hoferichter

Geschrieben

Moin,

werter Herr Thread Ersteller wie sagt doch der Titel "Normal-8-Film vertonen,was es gab und gibt es", das falsch zu verstehen ist dann wohl meinem Alter geschuldet. 

Bitte vielmals um Entschuldigung.

Ansonsten gute Arbeit, dafür meine Anerkennung!

Uwe Hoferichter

Geschrieben

Werter Herr Hoferichter, Sie brauchen nicht um Entschuldigung zu bitten.

Falls Sie dennoch ein schlechtes Gewissen quält, werden Sie es doch los mit einem kleinen Erfahrungsbericht vom ETS!

Das könnte einige interessieren, stelle ich mir vor.

  • 2 Wochen später...
Geschrieben

Weiß jemand was genaueres über die Bauer 88DS (bzw. andere Bauer 88...S-Kameras)? Wie genau funktioniert das Tonverfahren? Wird auf einer zweiten Spur pro Bild ein Ton aufgenommen oder wie kann mich mir das vorstellen? Hat schon mal jemand reingeschaut in eine Bauer 2x8mm Tonkamera?

Was mich hier auch interessieren würde: Konnte es eine Möglichkeit geben, mit dieser Kamera heute sinnvoll Tonaufnahmen mit Digitalen Aufnahmegeräten zu machen? Z.B. bei Interviews? Z.B. indem man den Digitalrecorder einfach durchgehend, während des Interviews laufen läßt und gelegentlich mit der Kamera mal ein paar Filmaufnahmen macht, die dann auf einer zweiten Spur mit aufgezeichnet werden um sie später synchronisieren zu können? Irgendwie so vielleicht... ???

  • 4 Jahre später...

Erstelle ein Benutzerkonto oder melde Dich an, um zu kommentieren

Du musst ein Benutzerkonto haben, um einen Kommentar verfassen zu können

Benutzerkonto erstellen

Neues Benutzerkonto für unsere Community erstellen. Es ist einfach!

Neues Benutzerkonto erstellen

Anmelden

Du hast bereits ein Benutzerkonto? Melde Dich hier an.

Jetzt anmelden
×
×
  • Neu erstellen...

Filmvorführer.de mit Werbung, externen Inhalten und Cookies nutzen

  I accept

Filmvorfuehrer.de, die Forenmitglieder und Partner nutzen eingebettete Skripte und Cookies, um die Seite optimal zu gestalten und fortlaufend zu verbessern, sowie zur Ausspielung von externen Inhalten (z.B. youtube, Vimeo, Twitter,..) und Anzeigen.

Die Verarbeitungszwecke im Einzelnen sind:

  • Informationen auf einem Gerät speichern und/oder abrufen
  • Datenübermittlung an Partner, auch n Länder ausserhalb der EU (Drittstaatentransfer)
  • Personalisierte Anzeigen und Inhalte, Anzeigen- und Inhaltsmessungen, Erkenntnisse über Zielgruppen und Produktentwicklungen
Durch das Klicken des „Zustimmen“-Buttons stimmen Sie der Verarbeitung der auf Ihrem Gerät bzw. Ihrer Endeinrichtung gespeicherten Daten wie z.B. persönlichen Identifikatoren oder IP-Adressen für diese Verarbeitungszwecke gem. § 25 Abs. 1 TTDSG sowie Art. 6 Abs. 1 lit. a DSGVO zu. Darüber hinaus willigen Sie gem. Art. 49 Abs. 1 DSGVO ein, dass auch Anbieter in den USA Ihre Daten verarbeiten. In diesem Fall ist es möglich, dass die übermittelten Daten durch lokale Behörden verarbeitet werden. Weiterführende Details finden Sie in unserer  Datenschutzerklärung, die am Ende jeder Seite verlinkt sind. Die Zustimmung kann jederzeit durch Löschen des entsprechenden Cookies widerrufen werden.